
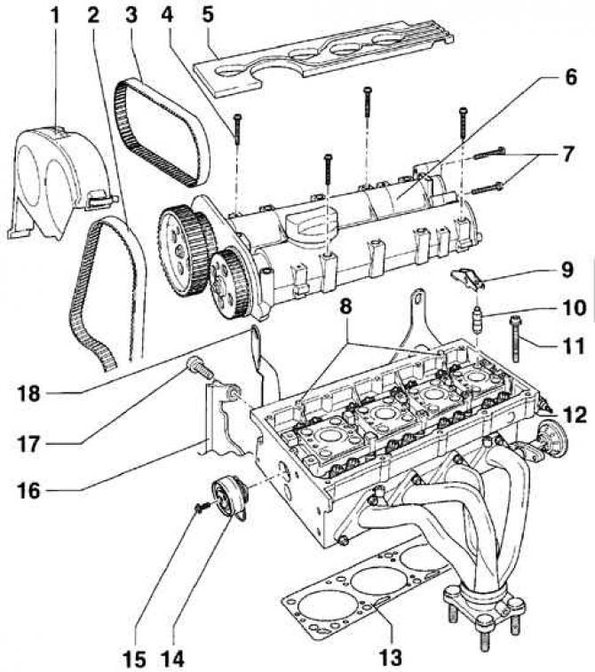
- 1 - горна част на корпуса на зъбния ремък;
- 2 - основен зъбен ремък.
Проверете състоянието на ангренажния ремък. Посоката на въртене на зъбчатия ремък не трябва да се променя. Не огъвайте ангренажния ремък;
- 3 - спомагателен зъбен ремък. Посоката на въртене на спомагателния зъбчат ремък не трябва да се променя;
- 4 - болт, 10 Nm + завъртете още на 90°. По време на монтажа трябва да се използват нови болтове;
- 5 - обвивка на проводник с високо напрежение;
- 6 - корпус на разпределителния вал. При монтажа нанесете тънък слой уплътнител VW-AMV 188 003 върху повърхността, свързваща главата на цилиндъра, монтирайте корпуса на разпределителния вал строго вертикално;
- 7 - болт, 10 Nm;
- 8 - щифт;
- 9 - кобилица. Преди монтаж смажете работните повърхности на кобилицата;
- 10 - поддържащ елемент. С хидравлично регулиране на хлабината на клапаните. Монтирайте носещите елементи точно на правилното им място;
- 11 - болт за закрепване на главата на цилиндъра. По време на монтажа трябва да се използват нови болтове. Затегнете болтовете в същата последователност, както при двигателя 1.6-/1.8-I;
- 12 - цилиндрова глава;
- 13 - уплътнение на главата на цилиндъра. По време на монтажа трябва да се използва ново уплътнение;
- 14 - опъваща ролка на свързващия зъбен ремък;
- 15 - болт, 20 Nm;
- 16 - заден капак на зъбния ремък;
- 17 - болт, 20 Nm;
- 18 - око
Предупреждение: Общите процедури за отстраняване на главата на цилиндъра са дадени в подточка 2.1.3.3.1. Този подраздел обхваща само операции, свързани с двигателя 1.4-I.
При двигателя 1.4-I разпределителните валове са монтирани в корпус на разпределителния вал, отделен от главата.
Заповед за изпълнение
1. Свалете и двата зъбни ремъка.

2. Развийте монтажния болт (1) на клапана за насочване на отработените газове, както и монтажния болт (2) на скобата на електрическия съединител.
3. Развийте задния капак на ангренажния ремък.
4. Постепенно и последователно отвън навътре разхлабете и след това развийте монтажните болтове на корпуса на разпределителния вал.
5. Свалете корпуса на разпределителния вал. Отстранете кобилиците заедно с опорния елемент и ги позиционирайте така, че да паснат на място по време на монтажа.
6. Разхлабете скобата и извадете маркуча на охлаждащата течност от корпуса на термостата, който отива към водната помпа.

Коментари на посетители