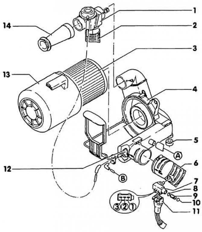
Въздушен филтър
1. Канал за всмукване на въздух с регулируема клапа за отопление на входящия въздух; 2. Маркуч към сифона за топъл въздух на изпускателния колектор; 3. Филтърен елемент; 4. Корпус на въздушния филтър; 5. Гумена шайба; 6. Канал за всмукване на въздух. Обърнете внимание на монтажа: стрелките на въздуховода и разклонителната тръба трябва да съвпадат.; 7. CO потенциометър с датчик за температура на входящия въздух. Измерете съпротивлението между контакти 2 и 3. За необходимата стойност вижте подточка 2.18.6; 8. Пръстен; 9. Винт за настройка на CO; 10. Корк; 11. Щепсел за свързване; 12. Терморегулатор. Място на монтаж: отгоре е разположена бронзова или назъбена свързваща тръба; 13. Корпус на въздушния филтър; 14. Водач на въздушния поток; A – Въздушен маркуч за свързване на входящия въздуховод и клапана за регулиране на оборотите на празен ход; B – Вакуумен маркуч към разклонението на вакуумната линия между тръбата на дроселната клапа и купето на автомобила. Предлага се само в М-оборудвани автомобили
Отоплението на въздуха се регулира от въздушна клапа в тръбата за всмукване на въздух и зависи от температурата. Ако въздушното отопление е дефектно, могат да възникнат следните неизправности:
- ниска скорост на празен ход по време на фазата на загряване;
- лоша реакция на газта;
- недостатъчна мощност, максималната скорост не е достигната;
- висок разход на гориво.
1. Проверете надеждността на закрепването на вакуумните маркучи от регулатора на вакуума към регулатора на температурата и от регулатора на температурата към тръбата на дроселната клапа.
2. Проверете маркучите, като ги огънете за срязвания и порьозност, ако е необходимо;.
3. Отстранете корпуса на въздушния филтър и извадете филтърния елемент.

4. Проверете позицията и лекотата на движение на клапата за регулиране в корпуса на въздушния филтър чрез докосване или с помощта на огледала. Контролната клапа трябва да затваря канала за топъл въздух (1).
5. Отстранете вакуумния маркуч от терморегулатора и свържете ръчна вакуумна помпа.
6. Създайте вакуум с помпата и проверете работата и лекотата на движение на контролния вентил. Амортисьорът трябва да затваря канала за студен въздух (2) (виж фиг. в стр. 4).
7. Стартирайте двигателя и го оставете да работи на празен ход.
8. Поставете вакуумния маркуч (3) върху бронзовата или назъбената свързваща тръба и проверете регулатора на температурата (виж фиг. в стр. 4).
Внимание! Когато двигателят работи, позицията на контролния клапан започва да зависи от нагряването на терморегулатора след поне 20 секунди:
- под 20°C: терморегулаторът е отворен, каналът за студен въздух е затворен;
- над 30°C: терморегулаторът е затворен, каналът за топъл въздух е затворен;
- между 20–30°C: отворите за студен и топъл въздух са отворени.
9. Монтирайте филтърния елемент в корпуса на въздушния филтър.
10. Монтирайте въздушния филтър.

Коментари на посетители