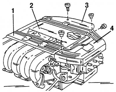
Мал. 28. Частково розібрана головка блоку циліндрів (були зняті розташовані на верхній частині головки деталі): 1 - болт, 25 Н·м; 2 - натягувач ременя; 3 - розподільник подачі палива; 4 - ущільнювальне прокладання нижньої частини впускного колектора; 5 - нижня частина впускного колектора; 6 - вушко для підйому; 7 - болт, 25 Н·м; 8 - болт кріплення головки блоку циліндрів; 9 - головка блоку циліндрів; 10 - прокладання головки блоку циліндрів; 11 - болт, 25 Н·м; 12 - О-подібне кільце ущільнювача; 13 - корпус термостату; 14 - болт, 10 Н·м; 15 - тримач кабелю; 16 - болт, 10 Н·м; 17 - котушка запалювання; 18 - болтів, 10 Н·м; 19 - тримач; 20 - кільце ущільнювача; 21 - натягувач ланцюга, 30 Н·м; 22 - болт, 10 Н·м; 23 - датчик Холла; 24 - розпірне кільце; 25 - О-подібне кільце ущільнювача; 26 - розпірне кільце; 27 - кришка розподільних валів; 28 - О-подібне кільце ущільнювача
- зніміть всі деталі, що залишилися на головці блоку циліндрів (мал. 28);
- затисніть головку блоку циліндрів хомутом, прикрученим до гвинта впускного трубопроводу;
- зніміть розподільні вали (це можна зробити і на незнятому двигуні), навіщо:
Мал. 27. Верхня частина впускного колектора: 1, 3, 4 - напрямні дротів високої напруги; 2 - центральна кришка
- зніміть напрямні проводів свічок запалювання (мал. 27);
- зніміть верхню частину впускного трубопроводу. Закрийте відкриті впускні канали чистою ганчіркою для того, щоб усередину не потрапили сторонні тіла;
- поверніть колінчастий вал таким чином, щоб поршень першого циліндра опинився у верхній мертвій точці (ВМТ). Якщо двигун не знятий, то можна трохи підняти переднє колесо, включити п'яту передачу і, обертаючи колесо, встановити поршень у положення ВМТ. Якщо двигун знятий, то надягніть на гайку маховика колінчастого валу накидний гайковий ключ і поверніть вал таким чином, щоб обидва кулачки розподільного валу для клапанів першого циліндра дивилися круглою стороною вгору;
- зніміть котушку запалювання;
- якщо двигун не знято, зніміть кришку головки блоку циліндрів;
- зніміть захисний кожух зірочок приводу розподільних валів;
Мал. 31. Складові частини розподільних валів разом із кришками підшипників та зірочками: 1 - кришка підшипника розподільчого валу; 2 - гайка, 20 Н·м; 3 - розподільні вали; 4 - зірочки розподільних валів; 5 - приводний механізм датчика Холла; 6 - болти, 100 Н·м
- виверніть болти 6 (мал. 31) зірочок 4 приводу розподільчих валів;
Мал. 32. Фіксація розподільчих валів. Стрілки показують шестигранники, призначені для фіксації розподільних валів
- зафіксуйте розподільні вали у нерухомому стані. Для цього на кожному валу є шестигранник (мал. 32 показаний стрілкою), на який надіньте ріжковий ключ "на 24 мм" та притримуйте розподільний вал.
- виверніть натягувач 21 (мал. 28) ланцюга з боку головки блоку циліндрів;
Мал. 33. Місця для маркування ланцюгів приводу розподільних валів перед зняттям показані стрілками
- зніміть зірочки приводу розподільних валів. Якщо ланцюг приводу розподільного валу ще не знято, потрібно відзначити напрямок установки ланцюга (мал. 33) для того, щоб його можна було правильно встановити;
Мал. 34. Нумерація кришок підшипників розподільних валів. На кожній кришці є стрілка, що показує напрямок установки
- спочатку зніміть розподільний вал ряду циліндрів 1, 3 та 5 (мал. 34). Для цього послабте кріплення обох кришок крайніх підшипників (номери 1 та 7), і потім, відвернувши їх повністю, зніміть кришки;
- щоб рівномірно розвантажувати пружини клапанів, поперемінно хрест-навхрест послаблюйте гайки кришок підшипників (номер 3 та 5) таким чином, щоб кришки підшипників не зазнавали тиску від пружин;
- зніміть обидві кришки підшипників;
- вийміть розподільний вал із опор головки циліндрів;
- зніміть розподільний вал ряду циліндрів 2, 4 та 6 (мал. 34). Для цього поперемінно хрест-навхрест послабте гайки кришки підшипника номер 4 і зніміть кришку підшипника;
- аналогічно зніміть кришки підшипників номер 2 та номер 6;
- вийміть другий розподільчий вал;
Мал. 35. Маркування гідравлічних штовхачів
- нанесіть ризики-подряпини на внутрішній бік штовхачів, тобто. перший штовхач – одна ризику, другий штовхач – 2 ризики і т.д. (Рис. 35), тому що їх не можна плутати (відлік починайте з боку приводу агрегатів двигуна) і вийміть штовхачі. Не складайте штовхачі, а поставте контактною площиною донизу;
Примітка. Товкачі мають гідравлічні елементи, що регулюють зазор у клапанному приводі, і тому з штовхачами потрібно поводитися обережно.
Мал. 36. Зняття клапанів за допомогою спеціального пристрою фірми "Volkswagen"
- стандартним інструментом для зняття та встановлення клапанів є інструмент під номером 2036 (мал. 36). Він кріпиться до голівки блоку циліндрів. Звільніть клапан 8 (мал. 37) від половин штока клапана (сухарів) 2, стискаючи пружини 4 пристосуванням 2036;
Мал. 37. Деталі механізму приводу клапанів: 1 - гідравлічний штовхач; 2 - половини стрижня клапана (сухарі); 3 - верхня тарілка пружини клапана; 4 - пружини клапана; 5 - масловідбивний ковпачок; 6 - напрямна втулка клапана; 7 - головка блоку циліндрів; 8 - клапани; a - висота головки блоку циліндрів
- для зняття клапанів можна використовувати також шматок труби, який надівається на верхню тарілку пружини. Під тарілку клапана з іншого боку, треба що-небудь підкласти, щоб зафіксувати її. Коротко вдарте молотком по трубі, так щоб вийшли половини штока клапана. Вони залишаться всередині труби;
- вийміть верхню тарілку 3 (мал. 37) із пружинами 4, поверніть головку циліндрів 7 і вийміть з нижньої сторони клапан 8;
- зніміть масловідбивний ковпачок 5 з напрямної втулки 6;
Примітка. Масловідбивні ковпачки завжди замінюйте новими.
- якщо у автомобіля великий пробіг або роботи проводяться на вживаному автомобілі, про який мало що відомо, то перед тим, як встановити на місце блок циліндрів, слід виміряти висоту головки блоку циліндрів — величину a (мал. 37).

Коментарі відвідувачів