Инструкция: Шланговые соединения закреплены пружинными и зажимными хомутами. Зажимные хомуты всегда следует заменять на пружинные. Шланги топлиеоподачи разрешается закреплять на двигателе только пружинными хомутами. Использование зажимных хомутов и хомутов с резьбовым креплением не допускается.
Система отключения подачи топлива при столкновении
Отключение подачи топлива при столкновении должно снизить опасность возгорания автомобиля после столкновения за счет отключения топливного насоса. Одновременно благодаря такому устройству достигается улучшение комфорта при пуске двигателя. При открытии двери топливный насос включается на 2 секунды, чтобы создать давление в системе питания.
Снятие и установка датчика уровня топлива 2 «G169»
Изогнуть сварочную проволоку длиной 80 мм, как показано. Размер «а» = 10 мм, размер «b»: 70 мм. Разблокировать и отсоединить провода для датчика уровня топлива 2 -G169-2-.

Вдавить сварочную проволоку «1» по направлению стрелки-в выемку под датчиком. Одновременно вытолкнуть датчик уровня топлива 2 «G169» «2» по направлению стрелки из направляющих.

Установка
Вставить датчик уровня топлива 2 «G169» в направляющие и вдавить вниз до фиксации. Подсоединить разъемы и проверить их надежную фиксацию. Установить модуль подачи топлива.
Снятие и установка блока управления топливного насоса «J539»
Инструкцня: Место установки блока управления топливного насоса «J533» находится на топливной баке.
Место установки блока управления топливного насоса «J538»

- 1 - Кронштейн для блока управления топливного насоса «J538»
- 2 - Блок управления топливного насоса «J538»
- 3 - Разъём
Снять правый, смотря по направлению движения, кожух с модуля подачи топлива. Отсоединить разъем «1».

Вставить отвертку «2» непосредственно над разъемом в выемку кронштейна Отвести отвертку в «направлении стрелки».

Нажать отвертку вниз в «направлении стрелки» и одновременно извлечь блок управления на разъеме из кронштейна. Отсоединить разъем блока управления.

Установка
Вставить разъем «3» в блок управления «2». Вдвинуть блок управления «2» в кронштейн «1» до защелкивания. Дальнейшая установка осуществляется а обратной последовательности.
Ремонт электронного регулирования мощности двигателя (электронный привод акселератора)

- 1 - Разъем, черный, 6-контактный
- 2 - Датчик положения педали газа «G79» и датчик 2 положения педали газа «G185». Отверстия «А» для съемника. Снять для снятия накладки передней панели и кожуха педального механизма
- 3 - 10 Нм
- 4 - Защитный колпачок
Снятие и установка модуля педали акселератора
Демонтировать кожух педального механизма. Отсоединить разъем от узла педали газа. Извлечь заглушку из верхней части узла педали газа. Выкрутить крепежный болт. Для снятия узла педали газа вставить разъединяющий инструмент «Т10238», как показано на рисунке до упора в специальные отверстия.

Осторожно извлечь вертикально узел педали газа. Установку осуществлять в обратной последовательности.
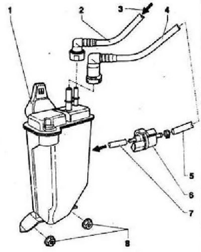
Система абсорбера с активированным углем
Инструкция: Шланговые соединения закреплены пружинными и зажимными хомутами. Зажимные хомуты всегда следует заменять на пружинные. Для монтажа пружинных хомутов рекомендуется использовать клещи для пружинных хомутов -VAS 5024А-.

- 1 - Абсорбер с активированным углем. Место установки: в задней правой колесной нише
- 2 - Соединительный шланг, для снятия отвести замочное кольцо
- 3 - От топливного бака
- 4 - Вентиляционная линия к электромагнитному клапану 1 абсорбера «N80», закреплена на топливном баке зажимами
- 5 - Вентиляционная линия от абсорбера с активированным углем
- 6 - Электромагнитный клапан 1 абсорбера с активированным углем «N80», при выключенном зажигании клапан закрыт, при прогретом двигателе управляется моделированным сигналом от блока управления двигателя
- 7 - Соединительный шланг к впускному коллектору, проверить надежность крепления
- 8 - 10 Нм

Комментарии посетителей