Оглавление: Элементы системы охлаждения,…↓ Элементы системы охлаждения,…↓ Схема подключения шлангов системы…↓
Осторожно: При любых монтажных работах, в частности в моторном отсеке из-за плотной компоновки, необходимо учитывать следующее. Линии всех видов (например, топливные, гидравлические, абсорбера с активированным углем, системы охлаждения, контура хладагента, трубопроводы и шланги тормозной системы, вакуумные), а также электрические провода необходимо проложить так. как они были проложены изначально. Чтобы избежать повреждений, обеспечить достаточное свободное пространство до всех подвижных и горячих деталей. При теплом двигателе система охлаждения находится под давлением. При необходимости перед ремонтными работами необходимо снять давление. Шланговые соединения закреплены пружинными хомутами. При ремонте использовать только пружинные хомуты. При установке проложить шланги системы охлаждения, не натягивая их. Проследить, чтобы они не касались других компонентов (соблюдать маркировку на патрубке радиатора и шланге).
Элементы системы охлаждения, установленные на кузове

- 1 - Охладитель, после замены сменить охлаждающую жидкость
- 2 - Уплотнительное кольцо, при повреждении заменить
- 3 - Штуцер, для снятия отсоединить зажим
- 4 - Пружинный хомут
- 5 - Шланг системы охлаждения
- 6 - Шланг радиатора, верхний, к штуцеру на ГБЦ
- 7 - Расширительный бачок. Проверить герметичность системы охлаждения
- 8 - Разъём
- 9 - Крышка. Проверить на герметичность. При давлении 1,4-1,6 бар предохранительный клапан в крышке должен открыться
- 10 - 5 Нм
- 11 - Пластиковые вставки, для винтов крепления
- 12 - Кронштейн
- 13 - 5 Нм
- 14 - Воздухозаборнике вентилятором радиатора «V7», с блоком управления вентиляторов системы охлаждения «J293». Вентилятор радиатора «V7» и воздухозаборник при замене разрешается заменять только в комплекте. Теплозащитные экраны должны быть установлены во избежание повреждений решетки радиатора от воздействия тепловой энергии системы выпуска ОГ. Момент затяжки теплозащитных экранов: 3 Нм
- 15 - Кронштейн для разъема
- 16 - Разъём
- 17 - Защелки
- 18 - Шланг охлаждающей жидкости, нижний, к штуцеру термостата
- 19 - Прокладка шлангов
- 20 - Датчик температуры охлаждающей жидкости на выходе из радиатора «G83»
- 21 - Шланг охлаждающей жидкости, нижний, к штуцеру термостата
- 22 - Соединительный патрубок, для снятия отсоединить зажим
Элементы системы охлаждения, установленные на двигателе (связанные с термостатом)
Оригинал можно найти на VWManual.ru

- 1 - Соединительный патрубок
- 2 - Уплотнительное кольцо, заменить
- 3 - Пружина
- 4 - Толкатель, при установке не перекашивать
- 5 - Термостат. Не перепутать термоэлементы! Начало открывания: термоэлемент (на нижнем рисунке): 80°C, термоэлемент (на верхнем рисунке): 96°C
- 6 - Датчик температуры охлаждающей жидкости «G62», перед снятием при необходимости снять давление в системе охлаждения
- 7 - Крепежная скоба, проверить надежность крепления
- 8 - Корпус термостата, 10 Нм
- 9 - Манжетное уплотнение, заменить
- 10 - К расширительному бачку
- 11 - Соединительный штуцер
- 12 - Патрубок охлаждающей жидкости, для снятия демонтировать корпус термостата, для снятия демонтировать компрессор
- 13 - Патрубок охлаждающей жидкости, для снятия демонтировать корпус термостата, для снятия демонтировать компрессор
- 14 - 5 Нм
- 15 - От радиатора снизу
- 16 - К радиатору сверху
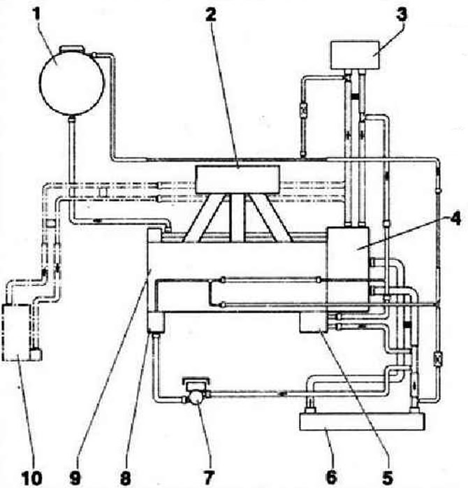
Схема подключения шлангов системы охлаждения

- 1 - Расширительный бачок
- 2 - Впускной коллектор
- 3 - Теплообменник отопителя
- 4 - Корпус термостата
- 5 - Радиатор охлаждения моторного масла
- 6 - Охладитель
- 7 - Циркуляционный насос системы охлаждения «V50»
- 8 - Турбокомпрессор
- 9 - Головка блока цилиндров/блок цилиндров, после замены слить старую и залить новую охлаждающую жидкость
- 10 - Автономный отопитель, дополнительное оборудование

Комментарии посетителей