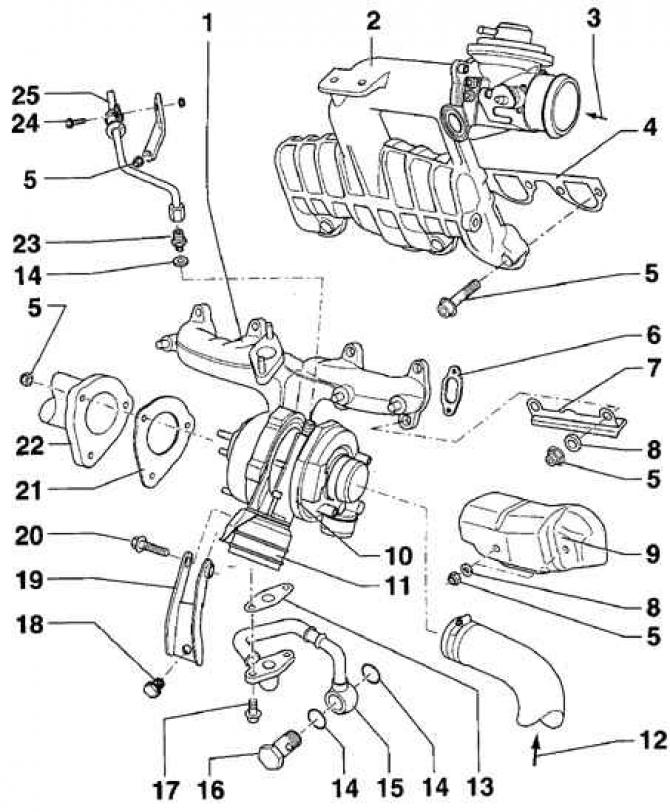
Турбонагнетатели автомобилей с двигателями AHF и ALH

- 1 - выпускной коллектор;
- 2 - впускной коллектор;
- 3 - от радиатора наддуваемого воздуха;
- 4 - уплотнение. При установке необходимо использовать новое уплотнение;
- 5 - болт; 25 Нм;
- 6 - уплотнение. Соблюдайте монтажное положение уплотнения;
- 7 - кронштейн;
- 8 - шайба;
- 9 - экран;
- 10 - турбонагнетатель. При снятии турбонагнетателя предварительно необходимо снять правый приводной вал;
- 11 - коробка давления;
- 12 - от воздушного фильтра;
- 13 - уплотнение. При установке необходимо использовать новое уплотнение;
- 14 - уплотнительное кольцо. При установке необходимо использовать новое уплотнительное кольцо;
- 15 - трубопровод подачи масла;
- 16 - полый болт, 40 Нм;
- 17 - болт, 15 Нм;
- 18 - болт, 40 Нм;
- 19 - кронштейн;
- 20 - болт, 25 Нм;
- 21 - уплотнение. При установке необходимо использовать новое уплотнение;
- 22 - приемная выхлопная труба;
- 23 - соединительные штуцеры;
- 24 - болт, 10 Нм;
- 25 - труба отвода масла
Последовательность затягивания болтов крепления приемной выхлопной трубы к выпускному коллектору на двигателе без турбонагнетателя

Снятие
Выхлопную систему можно снимать как в сборе, так и по отдельным секциям.
1. Поднимите автомобиль и закрепите его на подставках. Снимите нижний брызговик моторного отсека.
2. Нанесите на гайки и болты, крепящие элементы выхлопной системы средство, разрушающее ржавчину. Подождите некоторое время, пока ржавчина не будет разрушена полностью.

3. Отвинтите кожух, закрывающий электрический разъем лямбда-датчика (две нижних стрелки).
4. Освободите провод лямбда-датчика из зажимов на термозащитном экране (верхние стрелки).
5. Отсоедините электрический разъем лямбда-датчика.
6. На полноприводных моделях и моделях с двигателем 1,6-I с автоматической коробкой передач лямбда-датчик установлен в выпускном коллекторе и не требуется отключать электрический разъем лямбда-датчика.
7. На моделях с двигателями 1,4-I лямбда-датчик установлен впереди около уплотнительной прокладки фланца приемной выхлопной трубы.

8. Снизу отвинтите приемную выхлопную трубу от выпускного коллектора (гайки крепления указаны стрелками).
9. Поддержите выхлопную систему, подвязав ее проволокой к днищу автомобиля.
10. Отвинтите переднюю часть выхлопной системы от передней поперечной балки.
11. Ослабьте зажимные хомуты и снимите выхлопную систему.
Установка
1. Для облегчения отвинчивания в последующем гаек и болтов, крепящих выхлопную систему, смажьте их высокотемпературной пастой Liqui Moly LM-508-ASC.
2. Перед повторным соединением элементов выхлопной системы очистите их соединения наждачной бумагой от остатков герметика и ржавчины.

3. Закрепите держатели выхлопной системы к передней поперечной балке таким образом, чтобы скошенная сторона (показана стрелкой) была направлена к передней части автомобиля.
4. Установите элементы выхлопной системы в резиновые подушки.
5. Затяните болты крепления держателей выхлопной системы к передней балке моментом 25 Нм.
Двигатели без турбонагнетателя
6. Подсоедините приемную выхлопную трубу с новой прокладкой к выпускному коллектору и затяните болты крепления в последовательности, показанной на рис. Последовательность затягивания болтов крепления приемной выхлопной трубы к выпускному коллектору на двигателе без турбонагнетателя, моментом 40 Нм.
Двигатели с турбонагнетателем
7. Подсоедините приемную выхлопную трубу с новой прокладкой к турбонагнетателю и накрест затяните болты крепления моментом 40 Нм.
8. При необходимости поверните секции выхлопной системы таким образом, чтобы вся выхлопная система располагалась на одинаковом расстоянии от кузова.
9. Окончательно затяните все гайки и болты, крепящие выхлопную систему.
10. Установите нижний брызговик моторного отсека.
11. Закрепите провод лямбда-датчика пружинными зажимами. Подсоедините электрический разъем лямбда-датчика и закройте его кожухом.
12. Запустите двигатель и проверьте герметичность выхлопной системы.
Моменты затягивания
| Выпускной коллектор к головке блока цилиндров | 25 Нм |
| Зажимные скобы, крепящие соединения выхлопных труб | 40 Нм |
| Приемная выхлопная труба к коллектору | 40 Нм |
| Крепление выхлопных труб на разветвлении выхлопной системы | 25 Нм |
| Лямбда-датчик к катализатору | 50 Нм |

Комментарии посетителей