Внимание: Прежде чем устанавливать дополнительные приборы, потребляющие электроэнергию, необходимо проверить, может ли имеющийся генератор переменного тока обеспечить возрастающую нагрузку. При необходимости установить генератор повышенной мощности.
Проверка зарядного напряжения генератора
Если аккумуляторная батарея заряжается недостаточно, необходимо проверить зарядное напряжение генератора.
Подключить вольтметр между положительным и отрицательным полюсами аккумуляторной батареи.
Запустить двигатель. При пуске двигателя напряжение при полностью заряженной аккумуляторной батарее не должно падать ниже 8 вольт (при температуре электролита примерно +20°C).
Увеличить частоту вращения коленчатого вала двигателя до 3000 1/мин. При этом напряжение должно составлять от 13,0 до 14,5 вольт. Это является доказательством того, что генератор и реле-регулятор работают исправно. Чтобы при поездке аккумуляторная батарея подзаряжалась, напряжение генератора (бортовое напряжение) должно быть выше напряжения аккумуляторной батареи.
Проверить стабильность регулирования напряжения. Для этого включить дальний свет и повторить измерение при частоте вращения коленчатого вала двигателя 3000 1/мин. Измеренное значение напряжения не должно превышать полученное перед этим значение больше чем на 0,4 вольта.
Если измеренные значения напряжения выходят за допустимые пределы, генератор и реле-регулятор необходимо проверить на СТО.
Указания по технике безопасности
При работах с системой электрооборудования обязательно отсоединять от аккумуляторной батареи провод массы (-).
Внимание: При этом стирается содержимое электронных запоминающих устройств, например, коды неисправностей двигателя. Перед отключением аккумуляторной батареи необходимо также прочитать указания из главы «Снятие и установка аккумуляторной батареи».
Я Не отключать аккумуляторную батарею или регулятор напряжения при работающем двигателе.
Не снимать генератор при подключенной аккумуляторной батарее.
Перед проведением электросварочных работ аккумуляторную батарею обязательно отключить.
Снятие
При выключенном зажигании отсоединить от аккумуляторной батареи провод массы (-).
Внимание: Выполнять указания, приведенные в главе «Снятие и установка аккумуляторной батареи».
Примечание: в зависимости от модели устанавливаются генераторы разного исполнения.
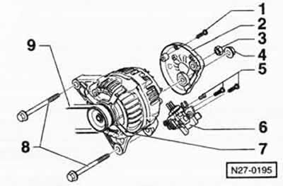
Генератор 1
1 — винты с крестообразным шлицем в головке
2 — защитная крышка
3 — гайка
4 — гайка
5 — винты с крестообразным шлицем в головке
6 — регулятор напряжения
7 — генератор
8 — болты, 25 Нм
9 — поликлиновой ремень
Генератор 2
1 — винты с крестообразным шлицем в головке
2 — защитная крышка
3 — гайка
4 — гайка
5 — винты с крестообразным шлицем в головке
6 — регулятор напряжения
7 — генератор
8 — болты, 25 Нм
9 — поликлиновый ремень
Поликлиновый ремень «9» ослабить и снять.
Разъединить с задней стороны генератора штекерный разъем и отвернуть крепление тонкого провода (D+).
Снять защитный колпачок и отвернуть крепление толстого провода (В+).
Вывернуть болты «8» и снять генератор с блок-картера.
Установка
Генератор приставить и привернуть болтами к кронштейну.
Поликлиновый ремень проверить на изношенность и при необходимости заменить.
Поликлиновый ремень наложить на шкивы и натянуть.
Привернуть к генератору провод (В+). Момент затяжки составляет 15 Нм.
Внимание: Если крепление провода затягивается моментом, не соответствующим предписанному значению, могут возникнуть следующие неисправности:
- Аккумуляторная батарея заряжается не полностью.
- Полный отказ автомобильной электрики/электроники.
- Опасность возгорания из-за искрения.
- Повреждение из-за перенапряжения электронных деталей/ блоков управления.
Привернуть к генератору тонкий провод (D+).
При выключенном зажигании подсоединить провод массы (-) к аккумуляторной батарее.
Внимание: Выполнять указания, приведенные в главе «Снятие и установка аккумуляторной батареи».
После установки запустить двигатель и проверить ход поликлинового ремня.

Комментарии посетителей