Рис. 334. Детали генератора и его крепление на 2,0-литровом двигателе: 1 - болты М8, 25 Н·м; 2 - натяжной ролик; 3 - кронштейн; 4 - натяжительное устройство; 5 - гайка M8, 30 Н·м; 6 - регулятор напряжения; 7 - болты крепления регулятора напряжения, M4; 8 - кожух; 9 - болты крепления кожуха; 10 - генератор; 11 - поликлиновой ремень
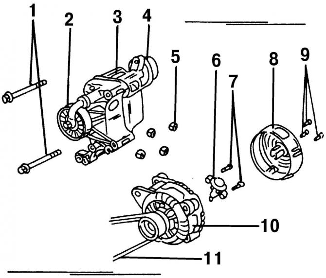
Конструкция генераторов, устанавливаемых на 2,0-литровый двигатель и двигатель VR6, представлена на (рис. 334) и (рис. 335) соответственно.
Рис. 335. Детали генератора и его крепление на двигателе VR6: 1 - болт М8; 2 - кронштейн; 3 - шайба; 4 - конусный болт, 25 Н·м; 5 - генератор; 6 - регулятор напряжения; 7 - болты крепления регулятора напряжения, M4; 8 - кожух; 9 - болты крепления кожуха; 10 - поликлиновой ремень; 11 - болты М8, 25 Н·м; 12 - болт M8, 25 Н·м; 13 - конусный болт, 25 Н·м
Снятие генератора проводите в следующем порядке:
- снимите «минусовой» провод с вывода АБ. Отогните кабель от полюсного вывода АБ (чтобы избежать их случайного соприкосновения);
- снимите приводной поликлиновой ремень;
- отсоедините со стороны кожуха генератора электрический разъем и провод с отдельной клеммы;
- отверните болты крепления генератора к кронштейну, выньте их и снимите генератор.
Установку генератора проводите в порядке, обратном снятию. Вложите поликлиновой ремень в канавки шкивов и отрегулируйте его натяжение.
Статья размещена на портале: VWMANUAL.ru

Комментарии посетителей