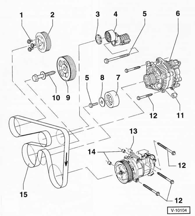
1 — болты, 20 Нм
2 — шкив насоса охлаждающей жидкости
3 — крышка
4 — натяжной элемент
5 — болт, 20 Нм + 90° (1/4 оборота) в направлении затяжки
6 — генератор
7 — направляющий ролик
8 — шайба
9 — шкив коленчатого вала
10 — болт, 90 Нм + 90° (¼ оборота) в направлении затяжки
11 — направляющая втулка
12 — болт, 25 Нм
13 — направляющая втулка
14 — дистанционная втулка
15 — поликлиновой ремень
С помощью поликлинового ремня осуществляется привод всех вспомогательных агрегатов. В зависимости от оснащения и двигателя такими агрегатами являются: генератор, насос охлаждающей жидкости и компрессор системы кондиционирования. Натяжение поликлинового ремня обеспечивает натяжной ролик. В рамках технического обслуживания натяжение поликлинового ремня не проверяется.
Внимание: Если бывший в употреблении поликлиновой ремень будет устанавливаться снова, то перед снятием необходимо обозначить направление его движения. Для этого маркером или фломастером нужно нанести на ремень стрелку в направлении его движения. Если смотреть со стороны поликлинового ремня, коленчатый вал двигателя вращается вправо, т. е. по часовой стрелке. Установка ремня в противоположном направлении увеличивает интенсивность его изнашивания и может привести к его обрыву.
Снятие

С помощью сменной торцовой головки наклонять натяжной элемент в направлении стрелки, пока не покажется отверстие для установки фиксатора. В этом положении вставить в отверстие ключ с наружным шестигранником или подходящий штифт и тем самым натяжной элемент застопорить.
Поликлиновой ремень снять.
Прокладка ремня при отсутствии компрессора системы кондиционирования
1 — шкив насоса охлаждающей жидкости
2 — натяжной ролик
3 — шкив генератора
4 — поликлиновой ремень
5 — шкив коленчатого вала
Прокладка ремня при наличии компрессора системы кондиционирования
1 — шкив насоса охлаждающей жидкости
2 — натяжной ролик
3 — шкив генератора
4 — направляющий ролик
5 — шкив компрессора системы кондиционирования
6 — поликлиновой ремень
7 — шкив коленчатого вала
Установка
Наложить поликлиновой ремень на шкивы.
Внимание: Если устанавливается ремень, бывший в употреблении, необходимо обеспечить прежнее направление его движения.
С помощью сменной торцовой головки наклонять натяжной элемент в направлении стрелки (см.рисунок N13-0731), пока фиксатор не будет отпущен. Фиксатор вынуть и медленно поворачивать натяжной элемент в направлении часовой стрелки, пока поликлиновой ремень не натянется.

Комментарии посетителей