Таблица 4.2. Технически характеристики на системата за впръскване на гориво и управление на запалването

Местоположението на компонентите на системата за впръскване на гориво е показано на фиг. 4.24 a,b. Всмукателният колектор е показан на фиг. 4.25. Горивната линия с високо налягане с инжектори е показана на фиг. 4.26. Разглобеният въздушен филтър е показан на фиг. 4.27. Местоположението на елементите на системата за запалване е показано на фиг. 4.28. Данните за настройка на системата за запалване и маркировките на свещите са дадени в таблица 4.3.
Фиг. 4.24 а. Местоположение на компонентите на системата за впръскване на гориво:
1 - Регулатор на налягането на горивото; 2 - Конектор за окабеляване на сензора за кислород (след катализатор); 3 - Сензор за налягане във всмукателния колектор със сензор за температура на входящия въздух; 4 - Всмукателен колектор; 5 - Дюза; 6 - Сензор за кислород (след катализатор); 7 - Сензор за детонация; 8 - Корпус на дросела; 9 - Сензор за скорост на коляновия вал; 10 - Сензор на педала на спирачката; 11 - Превключвател на спирачната светлина; 12 - Блок за управление на двигателя; 13 - Запалителна бобина; 14 - Три-щифтов конектор за окабеляване за сензора за скорост на коляновия вал; 15 - Клапан за рециркулация на отработените газове заедно с потенциометър за рециркулация на отработените газове; 16 - Четири- и шест-пинови конектори за окабеляване за кислородния сензор и нагревателя на кислородния сензор преди каталитичния конвертор; 17 - Сензор за температура на охлаждащата течност; 18 - Сензор на Хол; 19 - Сензор за кислород преди катализатора; 20 - Електромагнитен клапан на филтъра с активен въглен.
Фиг. 4.24 б. Разположение на компонентите на системата за впръскване на гориво и запалване:
1, 20 - Задръствания; 2, 5, 13, 36 - Болтове; 3 - Въздушен филтър; 4 - Водач на кабелния сноп; 6 - Горивопровод с високо налягане с инжектори; 7 - Всмукателен колектор; 8 - От електромагнитния клапан на филтъра с активен въглен; 9 - Конектор за окабеляване, девет-щифтов, от тялото на дросела; 10 - От спирачния усилвател; 11 - Уплътнение; 12 - От клапана за рециркулация на отработените газове; 14 - Сензор за скорост на коляновия вал; 15 - Сензор за кислород преди катализатора; 16 - Четири- и шест-пинови конектори за окабеляване за кислородния сензор и нагревателя на кислородния сензор преди каталитичния конвертор; 17 - Корпус на термостата; 18 - Фиксатор; 19 - Уплътнителен пръстен; 21 - Сензор за температура на охлаждащата течност; 22 - Конектор за окабеляване, четири-щифтов, от сензора за температура на охлаждащата течност; 23 - Конектор за окабеляване на блока за управление на двигателя; 24 - Блок за управление на двигателя; 25 - Подкрепа; 26 - Адаптер за въздуховод; 27 - Вентилационна тръба на картера; 28 - Отопление на входящия въздух; 29 - Конектор за окабеляване, четири-щифтов, от сензора за налягане във всмукателния колектор с температурния сензор на входящия въздух; 30 - Конектор за окабеляване, двущифтов, от сензор за детонация; 31 - Конектор за окабеляване, двущифтов, от инжектори; 32 - Вакуумна тръба; 33 - Линия за източване на гориво; 34 - Линия за впръскване на гориво; 35 - Печат.
Фиг. 4.25. Всмукателен колектор:
1 - Корпус на дросела; 2, 6, 10 - Болтове; 3 - Уплътнение; 4 - Свързващ фланец; 5, 7 - Печати; 8 - Водеща плоча; 9 - Уплътнителни пръстени; 11 - Сензор за налягане във всмукателния колектор със сензор за температура на входящия въздух; 12 - Всмукателен колектор; 13 - Вакуумна тръба.
Фиг. 4.26. Горивопровод за високо налягане с инжектори:
1 - Монтажна плоча; 2, 3 - Болтове; 4 - Горивопровод с високо налягане; 5 - Фиксатор; 6, 10 - Уплътнителни пръстени; 7 - Инжектори; 8 - Линия за впръскване на гориво; 9 - Линия за източване на гориво; 11 - Регулатор на налягането на горивото; 12 - Вакуумна тръба.
Фиг. 4.27. Въздушен филтър разглобен:
1 - Болт; 2 - Корк; 3 - Вентилационна тръба на картера; 4 - Горна част на въздушния филтър; 5 - Филтърен елемент; 6 - Долна част на въздушния филтър; 7 - Уплътнения; 8 - Корпус на въздухозаборника с амортисьор; 9 - Тръба за подаване на нагрят въздух; 10 - Адаптер; 11 - Свързваща тръба.
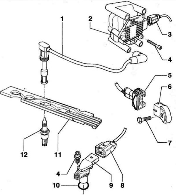
Фиг. 4.28. Местоположение на компонентите на системата за запалване:
1 - Проводник за високо напрежение; 2 - Запалителна бобина (A - цилиндър 1, B - цилиндър 2, C - цилиндър 3, D - цилиндър 4); 3 - Конектор за окабеляване на запалителната бобина; 4, 7 - Болтове; 5 - Конектор за окабеляване на датчика за детонация; 6 - Сензор за детонация; 8 - Конектор за окабеляване на датчика на Хол; 9 - Сензор на Хол; 10 - Уплътнителен пръстен; 11 - Водеща плоча за проводници за високо напрежение; 12 - Запалителна свещ.
Таблица 4.3. Данни за настройка на запалителната система и маркировки на свещите


Коментари на посетители