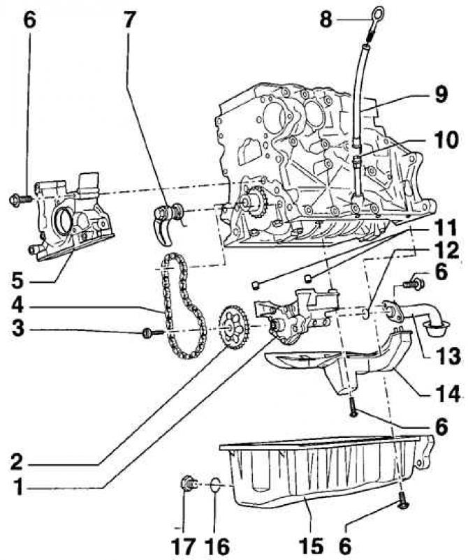
Масляный поддон и масляный насос дизельного двигателя

- 1 - масляный насос;
- 2 - звездочка масляного насоса;
- 3 - болт, 25 Нм;
- 4 - цепь;
- 5 - передняя крышка с уплотнительным кольцом. Крышка устанавливается на герметик VW-D 176404А2. В крышке установлено переднее уплотнительное кольцо коленчатого вала;
- 6 - болт, 15 Нм;
- 7 - устройство натяжения цепи, 15 Нм;
- 8 - щуп для измерения уровня моторного масла;
- 9 - вводная труба;
- 10 - направляющая труба;
- 11 - направляющие втулки масляного насоса;
- 12 - уплотнительное кольцо круглого сечения;
- 13 - труба маслозаборника;
- 14 - дефлектор масла;
- 15 - масляный поддон. Установка масляного поддона производится на герметик VW-D 176404А2;
- 16 - уплотнительное кольцо. При установке необходимо использовать новое уплотнительное кольцо;
- 17 - маслосливная пробка, 30 Нм
Масляный фильтр дизельных двигателей

- 1 - резьбовая пробка, 25 Нм;
- 2 - уплотнение;
- 3 - масляный теплообменник. Если в моторном масле присутствует большое количество стружки, это указывает на задиры в двигателе и на необходимость замены масляного теплообменника;
- 4 - уплотнение. Уплотнение устанавливается в канавку теплообменника;
- 5 - уплотнительное кольцо. При наличии дефектов необходимо использовать новое уплотнительное кольцо;
- 6 - резьбовая пробка, 10 Нм;
- 7 - резьбовая пробка;
- 8 - пружина редукционного клапана на 5 бар;
- 9 - плунжер редукционного клапана на 5 бар;
- 10 - датчик давления масла, 25 Нм (серого цвета);
- 11 - уплотнение;
- 12 - болт, 15 Нм + довернуть на угол 90°. При установке необходимо использовать новый болт. В первую очередь завинчиваются верхний левый и нижний болты, после чего все четыре болта затягиваются требуемым моментом;
- 13 - держатель масляного фильтра;
- 14 - уплотнительное кольцо;
- 15 - трубопровод подачи масла к турбонагнетателю (TDI);
- 16 - полый винт, 20 Нм;
- 17 - крышка, 25 Нм;
- 18 - уплотнительное кольцо круглого сечения;
- 19 - фильтрующий элемент масляного фильтра
Снятие
1. Снимите нижний брызговик двигателя.
2. Слейте моторное масло, для чего ослабьте маслосливную пробку примерно на половину оборота. Поместите контейнер для слива масла под сливной пробкой и отвинтите пробку полностью. Если необходимо, нажимайте на пробку, когда отвинчиваете, чтобы масло не протекало преждевременно.
3. Когда масло полностью стечет, ввинтите на место маслосливную пробку и затяните ее моментом 30 Нм.

4. При наличии снимите дополнительный шумоизолирующий кожух масляного поддона и двигателя. Для этого вывинтите болт (1) и извлеките разжимные пистоны (2) из резиновых гнезд.
5. Отвинтите два или три болта крепления масляного поддона к картеру коробки передач.
6. Отвинтите болты гаечным ключом (например HAZET 2528-10) и снимите масляный поддон с блока цилиндров.
Установка
1. Используя пластиковый или деревянный скребок, очистите от старой прокладки поверхность блока цилиндров, сопрягаемую с масляным поддоном.

2. Используя вращающуюся металлическую щетку, насаженную на электрическую сверлилку, очистите герметик с масляного поддона.

3. Нанесите слой герметика VW-D 176 404 А2 диаметром 3 мм на сопрягаемую поверхность масляного поддона (места нанесения герметика указаны стрелками).
Предупреждение: После нанесения слоя герметика на масляный поддон установку масляного поддона необходимо произвести в течение 5 минут. Время высыхания герметика составляет 30 минут, и только после этого можно заливать в двигатель моторное масло.
Предупреждение: Слой герметика должен быть только диаметром 3 мм, так как в случае толстого слоя герметика излишки герметика попадут в масло и могут заблокировать сетчатый фильтр.

4. Также можно нанести слой герметика на сопрягаемую поверхность блока цилиндров (места нанесения герметика указаны стрелками)
5. Установите масляный поддон на блок цилиндров двигателя и закрепите его болтами, затянув их от руки.
6. Ввинтите болты крепления масляного поддона к картеру коробки передач и затяните их моментом 40 Нм.
7. Накрест затяните болты крепления масляного поддона моментом 10 Нм, затем в той же последовательности затяните все болты моментом 15 Нм.
8. Установите дополнительный шумоизолирующий кожух масляного поддона и двигателя и закрепите его болтом и разжимными пистонами.
9. Залейте в двигатель моторное масло.
10. Установите нижний брызговик моторного отсека.

Комментарии посетителей