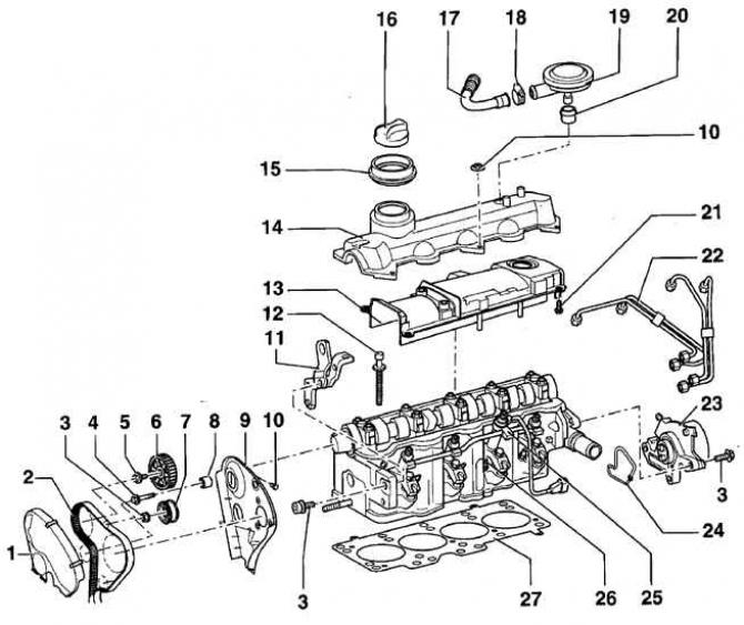
Головка блока цилиндров дизельного двигателя

- 1 - верхняя часть кожуха зубчатого ремня;
- 2 - зубчатый ремень. Проверьте состояние зубчатого ремня. Перед снятием зубчатого ремня необходимо нанести на него стрелку, указывающую направление вращения зубчатого ремня. Не перегибайте зубчатый ремень;
- 3 - гайка, 20 Нм;
- 4 - болт, 20 Нм;
- 5 - болт, 45 Нм;
- 6 - шкив зубчатого ремня. Снятие шкива зубчатого ремня распределительного вала с установочного конуса распределительного вала производится с использованием выколотки, пропущенной через отверстие в заднем кожухе зубчатого ремня;
- 7 - натяжной ролик;
- 8 - направляющий ролик;
- 9 - задний кожух зубчатого ремня;
- 10 - болт, 10 Нм;
- 11 - проушина;
- 12 - болт крепления головки блока цилиндров. При установке необходимо использовать новые болты;
- 13 - масляный щиток;
- 14 - крышка головки блока цилиндров. Уплотнение крышки головки блока цилиндров привулканизировано к крышке, поэтому при повреждении уплотнения необходимо заменить крышку головки блока цилиндров;
- 15 - уплотняющая манжета. При повреждении необходимо использовать новую уплотняющую манжету;
- 16 - крышка;
- 17 - вентиляционная труба к воздухозаборнику;
- 18 - хомут;
- 19 - редукционный клапан. Для системы вентиляции картера;
- 20 - уплотнение. При повреждении необходимо использовать новое уплотнение;
- 21 - болт, 5 Нм;
- 22 - топливопроводы высокого давления, 25 Нм. Замену топливопроводов высокого давления необходимо производить в комплекте. Не разрешается изгибать трубопроводы;
- 23 - вакуумный насос. Для вакуумного усилителя тормозов;
- 24 - уплотнение. При установке необходимо использовать новое уплотнение;
- 25 - топливная форсунка;
- 26 - свеча накаливания, 15 Нм;
- 27 - прокладка головки блока цилиндров. При установке необходимо использовать новую прокладку и залить в систему охлаждения свежую охлаждающую жидкость
Маркировка прокладки крышки головки блока цилиндров дизельного двигателя

- 1 - номер запасной части;
- 2 - код;
- 3 - характеристика прокладки
Головку блока цилиндров необходимо снимать на холодном двигателе. Снятие головки блока цилиндров производится вместе с впускным и выпускным коллектором.
Прогоревшая или дефектная прокладка головки блока цилиндров определяется по следующим признакам:
- уменьшение мощности двигателя;
- уменьшение уровня охлаждающей жидкости. При этом из выхлопной трубы выходит белый пар;
- уменьшение уровня моторного масла;
- наличие в моторном масле охлаждающей жидкости, при этом уровень масла увеличивается. При наличии в моторном масле охлаждающей жидкости моторное масло приобретает серый цвет и имеет пузырьки пены;
- наличие моторного масла в охлаждающей жидкости;
- интенсивное выделение пузырей из охлаждающей жидкости;
- уменьшение компрессии в двух соседних цилиндрах двигателя.
Снятие
1. Проверьте, что двигатель холодный. В противном случае дайте время для остывания двигателя.
2. Выключите зажигание и снимите провод массы с аккумулятора.
Двигатель SDI
3. Снимите впускной коллектор.
Двигатель TDI
4. Снимите трубу, соединяющую радиатор наддуваемого воздуха и впускной коллектор.
5. Слейте охлаждающую жидкость из системы охлаждения.
6. Отсоедините с передней и левой стороны головки блока цилиндров шланги системы охлаждения и переместите их в сторону.
7. Отсоедините электрический разъем от датчика давления масла 0,3 бар.
8. Отвинтите шину подачи напряжения от свечей накаливания. Вывинтите свечи накаливания. Очистите места подсоединения трубопроводов к топливным форсункам и топливному насосу высокого давления. Отвинтите соединительные гайки и снимите топливопроводы. Закройте отверстия подходящими пробками.
9. Вывинтите из головки блока цилиндров топливные форсунки.
10. Ослабьте или разрежьте хомут и снимите шланг вентиляции картера с впускного трубопровода. Освободите фиксирующую скобу и снимите шланг вентиляции картера с блока цилиндров. Снимите уплотнительное кольцо.
11. Поднимите автомобиль.
12. Отвинтите приемную выхлопную трубу от выпускного коллектора или турбонагнетателя. Используя мягкую проволоку, подвесьте приемную выхлопную трубу к кузову.
13. Снимите верхний кожух зубчатого ремня.
14. Ослабьте натяжение зубчатого ремня и снимите его со шкива распределительного вала.
15. Ослабьте болт крепления шкива распределительного вала на половину оборота. Снимите шкив зубчатого ремня распределительного вала с установочного конуса распределительного вала, используя выколотку, пропущенную через отверстия в заднем кожухе зубчатого ремня. Вывинтите болт и снимите шкив распределительного вала.
16. Вывинтите болты крепления заднего кожуха зубчатого ремня.

17. В последовательности, показанной на рисунке, отвинтите болты крепления головки блока цилиндров на половину оборота, а затем в той же последовательности вывинтите болты.
18. Проверьте, что от головки блока цилиндров отсоединены все трубопроводы, шланги и электрические разъемы.
19. Снимите головку блока цилиндров с двигателя и установите ее на два деревянных бруска. При снятии головки отжимайте задний кожух зубчатого ремня.
Предупреждение: Не проворачивайте распределительный вал на снятой головке блока цилиндров. Если распределительный вал установлен в положение поршня первого цилиндра в верхней мертвой точке в такте сжатия, то кулачки распределительного вала первого цилиндра должны быть направлены вверх. В этом положении можно установить инструмент для блокирования в паз в торце распределительного вала.
20. Снимите прокладку головки блока цилиндров.
Установка
1. Сопрягаемые поверхности головки и блока цилиндров должны быть совершенно чистыми. Для их очистки используйте твердый пластиковый или деревянный скребок. При очистке соблюдайте осторожность, так как алюминиевый сплав очень легко повредить.
2. Проверьте, чтобы нагар не попал в масляные и водяные каналы. Это особенно важно для системы смазки, поскольку нагар может блокировать подачу масла к компонентам двигателя. При необходимости очистите каналы.
3. Очистите отверстия под болты в блоке цилиндров. Завинчивание болта в заполненное маслом отверстие может разорвать блок из-за гидравлического давления.

4. Используя металлическую линейку и щуп, проверьте плоскостность сопрягаемых поверхностей.
5. Отклонение от плоскостности должно быть не более 0,1 мм.
6. Если на двигатель установлены новые поршни, необходимо измерить выступание поршней из блока цилиндров и на основании величины выступания поршней выбрать толщину новой прокладки головки блока цилиндров (см. рис. Маркировка прокладки крышки головки блока цилиндров дизельного двигателя).
7. При установке головки блока цилиндров необходимо использовать новую прокладку. Извлекайте прокладку из герметичной упаковки непосредственно перед установкой на блок цилиндров.

8. Для правильной установки головки блока цилиндров и прокладки головки блока цилиндров ввинтите в крайние отверстия блока цилиндров, предназначенные для болтов крепления головки блока цилиндров, направляющие штифты VW 3070. При отсутствии направляющих штифтов их можно изготовить самостоятельно, для чего необходимо использовать два старых болта крепления головки блока цилиндров. Срежьте с болтов головки и вместо них прорежьте паз для отвертки. После установки головки блока цилиндров, используя отвертку, вывинтите направляющие штифты.
9. Используя краску, отметьте установочное положение шкива коленчатого вала. Затем проверните коленчатый вал двигателя на 1/4 оборота для того, чтобы ни один из поршней не находился в верхней мертвой точке. Перед установкой зубчатого ремня необходимо установить коленчатый вал в положение, при котором поршень первого цилиндра будет находиться в ВМТ в такте сжатия.
10. Соблюдая осторожность, установите головку блока цилиндров.
11. Для крепления головки блока цилиндров используйте только новые болты. Ввинтите болты крепления головки блока цилиндров от руки.
12. Отверткой вывинтите два направляющих штифта и на их место ввинтите два болта крепления головки блока цилиндров.

13. Постепенно в последовательности, показанной на рисунке, затяните в несколько этапов болты крепления головки блока цилиндров.Стадия 1 – 40 Нм. Стадия 2 – 60 Нм. Стадия 3 – довернуть на угол 90°. Стадия 4 – довернуть на угол 90°.
14. Дальнейшее подтягивание головки блока цилиндров не требуется.
15. Проверните коленчатый вал двигателя на 1/4 оборота так, чтобы поршень первого цилиндра установился в ВМТ в такте сжатия. Проверьте, что распределительный вал установлен в положение, соответствующее установке поршня первого цилиндра в ВМТ в такте сжатия. Смажьте рабочие поверхности толкателя и кулачков распределительного вала чистым моторным маслом.
16. Ввинтите болты крепления заднего кожуха зубчатого ремня.
17. Установите зубчатый ремень.
Предупреждение: Не забудьте извлечь фиксирующий инструмент шкива топливного насоса высокого давления.
18. Установите крышку головки блока цилиндров и затяните гайки крепления крышки моментом 10 Нм.
19. Установите верхний кожух зубчатого ремня.
20. Подсоедините приемную выхлопную трубу к выпускному коллектору или турбонагнетателю.
21. Опустите автомобиль.
Двигатель SDI
22. Установите впускную трубу.
Двигатель TDI
23. Установите трубу между радиатором наддуваемого воздуха и впускной трубой и закрепите ее хомутами.
24. Подсоедините шланги к головке блока цилиндров.
25. Залейте в систему охлаждения двигателя свежую охлаждающую жидкость.
26. Ввинтите свечи накаливания.
27. Ввинтите топливные форсунки.
28. Подсоедините провод массы к аккумулятору.
29. Проверьте уровень масла в двигателе и при необходимости доведите его до нормы.
30. Запустите двигатель и прогрейте его до нормальной рабочей температуры.
31. Проверьте состояние и герметичность системы охлаждения.
32. Проверьте момент впрыска топливного насоса высокого давления.

Комментарии посетителей