
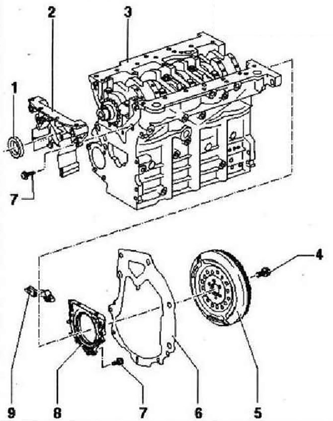
- 1 - Уплотнительное кольцо. Рабочую кромку манжетного уплотнения дополнительно не смазывать, перед установкой очистить поверхность шейки коленвала от масла, протерев ее чистой ветошью
- 2 - Уплотнительный фланец ставится на центровочные втулки, установить с силиконовым герметиком -D 176 404 А2-
- 3 - Блок цилиндров
- 4 - 60 Нм и довернуть на 90°, заменить
- 5 - Маховик, для ослабления болтов крепления зафиксировать с помощью приспособления 3067
- 6 - Промежуточная пластина, ставится на центровочные втулки, не допускать перегибания/повреждения при установке
- 7 - 15 Нм
- 8 - Уплотнительный фланец с манжетным уплотнением, с задающим ротором для датчика числа оборотов, заменяется только в сборе. Рабочую кромку манжетного уплотнения дополнительно не смазывать, перед установкой удалить остатки масла на шейке коленчатого вала чистой ветошью, для установки использовать поставляемую в комплекте оправку
- 9 - Датчик числа оборотов двигателя «G28»

Комментарии посетителей