
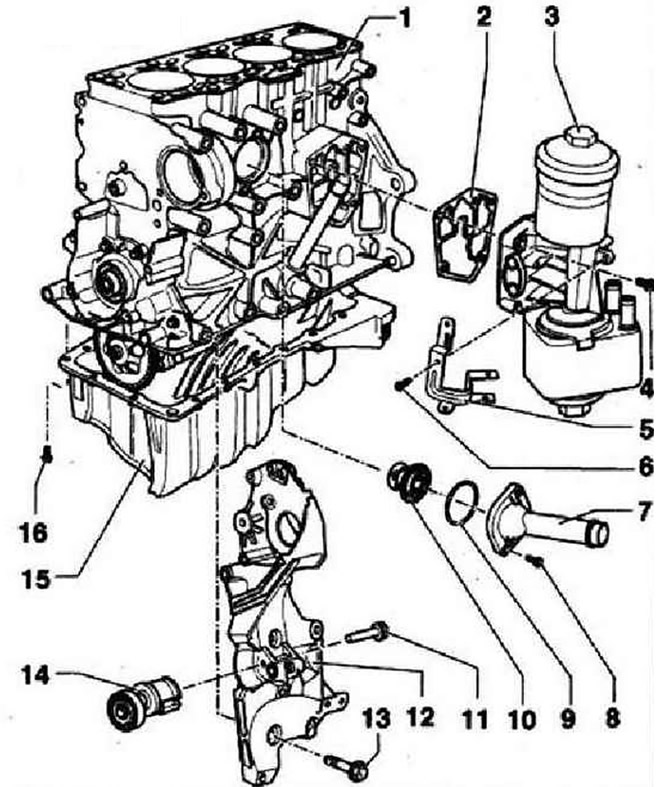
- 1 - Блок цилиндров
- 2 - Прокладка, заменить
- 3 - Кронштейн масляного фильтра
- 4 - 15 Нм и довернуть на 90°, заменить. Первыми устанавливать левый верхний и правый нижний винты, затем остальные и после этого затянуть все четыре крест-накрест
- 5 - Кронштейн
- 6 - 10 Нм
- 7 - Патрубок термостата
- 8 - 15 Нм
- 9 - Уплотнительное кольцо, заменить
- 10 - Термостат устанавливать в надлежащее положение. Проверить: нагреванием термостата в емкости с водой, начало открытия ок. 85°C, конец ок. 105°C, высота подъёма тарелки не менее 7 мм
- 11 - 20 Нм и довернуть на 180°
- 12 - Кронштейн для дополнительных агрегатов
- 13 - 40 Нм и довернуть на 45°, заменить
- 14 - Натяжитель поликлинового ремня
- 15 - Масляный поддон, перед установкой очистить посадочную поверхность, при установке нанести силиконовый герметик -D 176404 АЗ-
- 16 - 15 Нм

Комментарии посетителей