
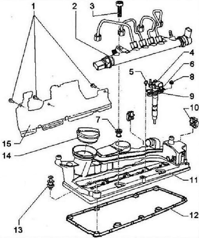
- 1 - 5 Нм
- 2 - Аккумулятор высокого давления (топливная рампа) с магистралями форсунок, не изменять форму изгибов топливопроводов высокого давления
- 3 - 22 Нм
- 4 - Форсунка (пьезофорсунка)
- 5 - 5 Нм
- 6 - Крышка форсунки
- 7 - Втулка для аккумулятора высокого давления (топливной рампы), при наличии повреждений заменить
- 8 - 10 Нм
- 9 - Прижимная пластина, учитывать монтажное положение
- 10 - Направляющая кабеля
- 11 - Крышка головки блока цилиндров
- 12 - Прокладка, при повреждении или не герметичности заменить
- 13 - 10 Нм, соблюдать требуемую последовательность затяжки
- 14 - Пробка заливной горловины
- 15 - Теплозащитный кожух
(Смотрите оригинал на веб-сайте www.VWManual.ru)

Комментарии посетителей