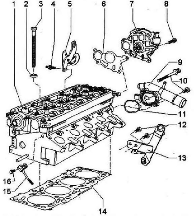
Инструкция: Пластиковые подкладки, защищающие открытые клапана, удалять непосредственно перед установкой ГБЦ. При замене головки блока цилиндров также следует слить старую и залить новую охлаждающую жидкость.

- 1 - Головка блока цилиндров, после замены сменить всю охлаждающую жидкость
- 2 - Шайба болта головки блока цилиндров
- 3 - Болт головки блока цилиндров, соблюдать очередность при откручивании и затяжке, перед установкой вставить шайбы в головку блока цилиндров
- 4 - 25 Нм
- 5 - Проушина для вывешивания
- 6 - Прокладка, заменить
- 7 - Вакуумный насос
- 8 - 10 Нм
- 9 - Патрубок системы охлаждения
- 10 - 10 Нм
- 11 - Прокладка, заменить
- 12 - 25 Нм
- 13 - Проушина для вывешивания
- 14 - Прокладка головки блока цилиндров, заменить. Устанавливать в соответствии с маркировкой, после замены сменить всю охлаждающую жидкость
- 15 - Датчик Холла «G40» положения распределительного вала
- 16 - 10 Нм
Проверка ГБЦ на наличие коробления
Макс. допустимое искривление: 0,1 мм. Инструкция: Шлифовка ГБЦ дизельных двигателей не допускается.
Маркировка прокладки головки блока цилиндров

- Номер детали по каталогу = стрелка 1
- Отверстия = стрелка 2
- Код управления = Стрелка 3 (не обращать внимания)
Инструкция: Толщина устанавливаемой прокладки головки блока цилиндров зависит от выступания поршней. При замене прокладки устанавливать только прокладку с той же маркировкой. При установке новых поршней или шорт-блока необходимо определить выступание поршней в ВМТ.

Комментарии посетителей