ВНИМАНИЕ: Запрещается разгерметизировать контур хладагента климатической установки.
Открутить компрессор климатической установки с кронштейна дополнительных агрегатов и закрепить его на раме радиатора. Открутить обгонные ролики «1» и «2» и выкрутить болт защитной крышки зубчатого ремня «стрелка».

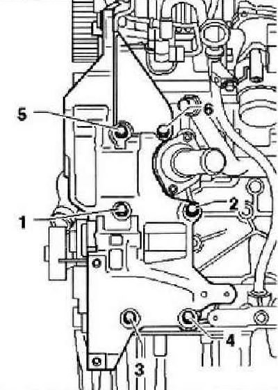
Открутить болты -6...1- и снять кронштейн дополнительных агрегатов.

Монтаж в обратной последовательности. При этом необходимо учитывать следующее. Обратить внимание на наличие установочных втулок в кронштейне дополнительных агрегатов, при необходимости заменить отсутствующие. Заменить все болты, затягиваемые с доворотом.
Кронштейн дополнительных агрегатов - моменты и последовательность затяжки
Вставить болты кронштейна дополнительных агрегатов.
- Болты «1» и «2» М10х52.
- Болты «5» и «6» М10х60.
- Болты «3» и «4» М10х30.
Затянуть болты кронштейна дополнительных агрегатов в порядке в 2 этапа.
- 1. Вкрутить все болты от руки до касания.
- 2. Затянуть все болты с моментом 40 Нм.
- 3. Довернуть болты «3» и «4» на 45°.
- 4. Довернуть болты -1, 2, 5 и 6- на 90°.
Установить генератор. Установить ТНВД. Установить кронштейн двигателя.

Комментарии посетителей