
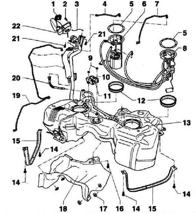
- 1 - Пробка, при наличии повреждений заменить
- 2 - Винт
- 3 - Соединение с массой, проверить надежность фиксации
- 4 - Вентиляционная линия к абсорберу, проверить надежность фиксации
- 5 - Стопорное кольцо, 110 Нм, проверить надежность фиксации. Снимать и устанавливать с помощью ключа для датчика уровня топлива -3087
- 6 - Модуль подачи топлива, устанавливать в надлежащее положение на баке. С датчиком уровня топлива «G», при необходимости очистить сетку
- 7 - Напорная магистраль, черная, заклипсована сбоку на топливном баке, проверить надежность фиксации
- 8 - Датчик уровня топлива 2 «G169», с эжекционным насосом
- 9 - 3,5 Нм
- 10 - Кронштейн для блока управления топливного насоса «J538»
- 11 - Блок управления топливного насоса «J538»
- 12 - Уплотнительное кольцо, при наличии повреждений заменить, устанавливать сухим в отверстие топливного бака, при установке фланца смочить топливом
- 13 - Топливный бак
- 14 - 25 Нм, заменить. Для фиксации хомутов крепления топливного бака допускается использовать только болты с проворачивающимися на них шайбами. При использовании других болтов хомуты при затяжке могут перекашиваться.
- 15 - Хомут, устанавливать в надлежащее положение
- 16 - 25 Нм, заменить
- 17 - Зажимная шайба
- 18 - Теплозащитный кожух
- 19 - Вентиляционная линия, заклипсована сбоку на топливном баке, проверить надежность фиксации
- 20 - Вентиляционная линия, проверить надежность фиксации
- 21 - 8 Нм и довернуть на 90°, заменить
- 22 - Лючок заливной горловины, с резиновой оболочкой
Монтажное положение фланца модуля подачи топлива и датчика уровня топлива 2 -G1 69-

Модуль подачи топлива «3»: язычок «1» обращен к направлению движения.
Датчик уровня топлива 2 -G169-2-: язычок «1» обращен к направлению движения.
Инструкция: Не обращать внимание на стрелки, нанесённые на круглых гайках.

Комментарии посетителей