
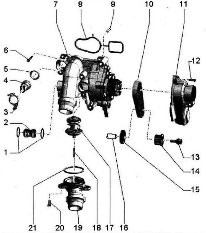
- 1 - Уплотнительные кольца круглого сечения, заменить
- 2 - Соединительный патрубок
- 3 - Крепёжная скоба, проверить надежность крепления
- 4 - Датчик температуры охлаждающей жидкости «G62»
- 5 - Уплотнительное кольцо круглого сечения, заменить
- 6 - Болт, 9 Нм
- 7 - Насос охлаждающей жидкости, в новом насосе удалить защитный колпачок
- 8 - Прокладка, заменить
- 9 - Центрирующий палец
- 10 - Зубчатый ремень насоса охлаждающей жидкости
- 11 - Защитный кожух зубчатого ремня
- 12 - Болт, 9 Нм
- 13 - 6олт, левая резьба, заменить, 10 Нм и дотянуть на 90°
- 14 - Приводная звездочка зубчатого ремня. Монтажное положение: буртик приводной звездочки обращен к коробке передач
- 15 - Уплотнение вала, заменить
- 16 - Балансирный вал
- 17 - Термостат
- 18 - Центрирующий штифт
- 19 - Штуцер
- 20 - Болт, 9 Нм
- 21 - Уплотнительное кольцо круглого сечения, заменить
Насос системы охлаждения - последовательность затяжки болтов

Затянуть болты в последовательности -1...5-, 9 Нм.
Снятие и установка насоса системы охлаждения
Снять малую трубку ОЖ. Снять зубчатый ремень насоса охлаждающей жидкости. Отсоединить электрический разъем «1» модуля управления дроссельной заслонки «J338». Выкрутить болты «стрелки» и снять модуль управления дроссельной заслонки «J338».

Отсоединить электрический разъем «1» датчика температуры ОЖ «G62».

Вывернуть болты-1...5-. Снять насос системы охлаждения с центрирующего пальца и с охладителя масла.
Установка
Инструкция: Заменить уплотнительные кольца прокладки.
Смазать уплотнительные кольца «4» охлаждающей жидкостью. Проверить, вставлены ли оба центрирующих пальца в блок цилиндров, при необходимости, вставить. Вставить соединительный элемент «2» в охладитель масла «1». Насадить насос системы охлаждения «3» на соединительный элемент и на центрировочные пальцы в блоке цилиндров.

Затянуть болты в последовательности -1...5-.
Инструкция: При установке нового насоса системы охлаждения снять защитный колпачок «стрелка».
Дальнейшая установка осуществляется соответственно в последовательности, обратной снятию.
Снятие и установка зубчатого ремня насоса ОЖ
Снять малую трубку ОЖ. Высвободить шланг ОЖ «2» и жгут проводов «1». Выкрутить болт «стрелка» и снять держатель.

Выкрутить болт «2» на кронштейне насоса выбега охлаждающей жидкости «V51».

Снять шланги ОЖ -1 и 2-. Снять переднюю часть правого подкрылка.

Вывернуть болты «стрелки». Снять воздуховод, для этого приподнять скобы -1 и 2-.

Снять клапан заслонки во впускном коллекторе «N316» «2».

Выкрутить болты «стрелки» и снять крышку зубчатого ремня.
Осторожно. Болт приводной звездочки имеет левую резьбу.

Выкрутить болт на приводной звездочке «1» насоса системы охлаждения с помощью динамометрического ключа -V.A.G 1331- и насадки «Т10360» по часовой стрелке, при этом удерживать демпфер крутильных колебаний. Снять приводную звездочку «1» и зубчатый ремень «2».

Установка осуществляется в обратной последовательности, при этом соблюдать следующее. Заменить болт приводной звездочки. Заменить уплотнительные кольца и прокладки. Монтажное положение приводной звездочки: буртик приводной звездочки обращен к коробке передач.

Комментарии посетителей