Русский English
Български
Беларускі
Український
Српски
Hrvatski
Română
Polski
Slovenský
Magyar
  |  Статьи  |  Карта сайта  |  Контакты  |  Поиск  |
Обслуживание автомобилей Ford Обслуживание автомобилей Hyundai Обслуживание автомобилей Chevrolet Обслуживание автомобилей BMW Обслуживание автомобилей Audi Обслуживание автомобилей Opel Обслуживание автомобилей AvtoVAZ
VWmanual.ru
 
 
 
 
 
 
 
 
Главная   Passat   Golf   Polo   Touareg   Tiguan   Sharan   Transporter   Другие  
Тигуан 1 (2007-2015)

Насос выбега охлаждающей жидкости V51 (VW Tiguan 1)

  • Главная
  • Tiguan
  • Тигуан 1
  • Силовой агрегат
  • Двигатель 2.0 (бензин)
  • Насос выбега охлаждающей жидкости V51
            0


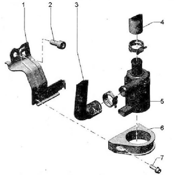
Насос выбега охлаждающей жидкости V51

  • 1 - Кронштейн
  • 2 - Болт, 40 Нм
  • 3 - Шланг системы охлаждения
  • 4 - Шланг системы охлаждения
  • 5 - Насос выбега ОЖ «V51»
  • 6 - Кронштейн
  • 7 - Болт, 8 Нм


[Оригинал статьи доступен на сайте: VWmanual.ru]

Эта статья доступна на английском, болгарском, белорусском, украинском, сербском, хорватском, румынском, польском, словацком, венгерском
Текст был проверен: Тарасов Иван

Поделитесь информацией:

Предыдущие статьи
Трубки охлаждающей жидкости
Снятие и установка датчика температуры ОЖ G62
Снятие и установка термостата
Насос системы охлаждения и термостат
Слив и заправка охлаждающей жидкости
План подключения шлангов системы охлаждения
Следующие статьи
Радиатор, райка вентиляторов и вентилятор радиатора
Правила техники безопасности при проведении работ с системой питания
Сброс давления в области высокого давления (CAWA, CAWB, CCTA, CCTB)
Устройство топливного бака
Снятие и установка топливного бака
Ремонт топливной системы


Похожие статьи из других мануалов для автомобилей VW:
Насос / термостат охлаждающей жидкости Пассат B3 (1988-1993)
Циркуляционный насос охлаждающей жидкости Гольф 3 (1991-1997)
Проверка датчика температуры охлаждающей жидкости Поло 3 (1995-2003)
Слив и залив охлаждающей жидкости (бензиновый двиг.) Туарег 1 (2002-2006)
Циркуляционный насос охлаждающей жидкости Шаран 1 (1995-2000)
Проверка уровня охлаждающей жидкости Транспортер Т4 (1990-2003)
Насос охлаждающей жидкости — снятие и установка ЛТ 28/35 (1975-1991)
Ссылка на эту страницу в разных форматах
HTMLTextBB Code


Комментарии посетителей


Еще нет комментариев


Сколько будет 15 + 42 =

       





Тигуан 1 
  • Общая информация
  • Характеристики
  • Обзор автомобиля
  • Силовой агрегат
  • Двигатель бензиновый 1.4 BWK
  • Двигатель бензиновый 1.4 CAVA
  • Двигатель 2.0 (бензин)
  • Двигатель 2.0 (дизель)
  • Трансмиссия
  • 6-ступенчатая МКПП 0A6
  • 6-ступенчатая АКПП 09M
  • Приводные валы
  • Шасси
  • Передняя подвеска
  • Задняя подвеска (2х4)
  • Задняя подвеска (4х4)
  • Пневмоподвеска
  • Колеса и диски
  • Тормозная система
  • Рулевой механизм
  • Кузов
  • Внешнее оборудование
  • Внутреннее оборудование
  • Электрооборудование
  • Силовые устройства
  • Приборы и освещение
  • Коммуникационные системы
  • Отопление и кондиционирование
  • Электрические схемы
Анекдот про автомобили
читать следующий
VWmanual.ru © 2016-2025 | Мобильная версия | Новости и статьи | Карта сайта: EN BG BY UA RS HR RO PL SK HU | Написать письмо | Поиск по сайту
Пассат B2 • Пассат B3 • Пассат B4 • Пассат B5 • Пассат B6 • Гольф 1, дизель • Гольф 1, бензин • Гольф 2, бензин • Гольф 2 • Гольф 3 • Гольф 4 • Гольф 5 • Поло 3 • Поло 4 • Туарег 1 • Тигуан 1 • Шаран 1 • Транспортер Т3 • Транспортер Т4 • ЛТ 28/35 • Жук • Кадди 3 • Автоновости компании VW • Начинающему автомобилисту • Сгорание в поршневых моторах • Карбюраторы фирмы Pierburg • Ремонт и обслуживание моторов