Правила техники безопасности
ВНИМАНИЕ: При выполнении монтажных работ, особенно в моторной отсеке из-за его плотной компоновки, необходимо соблюдать следующие предписания. Магистрали всех видов (например, топливные, гидравлические, абсорбера с активированным углем, системы охлаждения, контура системы кондиционирования, тормозной системы, вакуумные), а также электрические провода необходимо уложить так, как они были проложены изначально. Необходимо обеспечить достаточное пространство при работах со всеми подвижными или нагретыми узлами.
Снятие
Осторожно: Вели выявлены механические дефекты турбонагнетателя, например, разрушение колеса насосной секции, недостаточно только заменить турбокомпрессор. Во избежание последующих повреждений, после проведения ремонтных работ необходимо. Проверить корпус воздушного фильтра, фильтрующий элемент и шланги забора воздуха на наличие загрязнений. Проверить, нет ли инородных тел во впускном тракте и интеркулере. При обнаружении удалить их из впускного тракта, при необходимости заменить интеркулер.
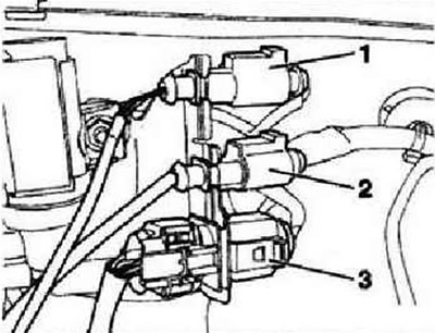
Снять трубопровод забора воздуха «1» и отсоединить разъём от датчика положения направляющего аппарата турбонагнетателя «G581» «2» на турбонагнетателе. Отсоединить вакуумный трубопровод «3» от турбонагнетателя.

Отсоединить разъём датчика температуры ОГ 1-G235- «1» на передней стенке водоотводящего короба и извлечь кабель из креплений.

Отвернуть магистраль подачи масла «стрелка» от турбонагнетателя.

Вывернуть винт крепления «1» патрубка надувочного воздуха, ослабить хомут «2» и отсоединить соединительный шланг от турбонагнетателя, отведя шланг как можно дальше. Снять сажевый фильтр.

Снять соединительную трубку «А» к радиатору системы рециркуляции ОГ.
Осторожно: Датчик температуры ОГ 1 -G235-перекрывает доступ к верхнему болту крепления опорного кронштейна турбонагнетателя. Датчик нельзя изгибать, Поэтому его необходимо снять.
Снять датчик температуры ОГ 1 «G235». Отсоединить правый приводной вал от раздаточной коробки. Выкрутить полый винт опорного кронштейна турбонагнетателя.

Выкрутить верхний винт «стрелка» опорного кронштейна турбонагнетателя.

Повернуть нижнюю часть опорного кронштейна на 90° и движением вниз извлечь её из верхней части. Снять теплозащитный кожух выпускного коллектора. Открутить гайки крепления выпускного коллектора. Снять турбонагнетатель, повернув его стороной забора воздуха вниз, а затем опустив его.
Установка
Осторожно: Перед установкой проверить, не погнут и не перекручен ли сильфон обратного маслопровода. Если это так, то велика вероятность возникновения микротрещин, которые могут привести к не герметичности. При необходимости заменить обратный маслопровод перед установкой турбонагнетателя.
Установка в обратной последовательности. При этом соблюдать следующее. Устанавливать турбонагнетатель стороной подачи сжатого воздуха вверх. Установить соединительный шланг патрубка наддувочного воздуха до прикручивания турбонагнетателя. Соблюдать монтажное положение датчика температуры ОГ 1 «G235». Заменить полый винт опорного кронштейна турбонагнетателя, а также уплотнительные кольца обратного маслопровода. При установке опорного кронштейна турбонагнетателя не перекручивать сильфон обратного маслопровода.

Комментарии посетителей