
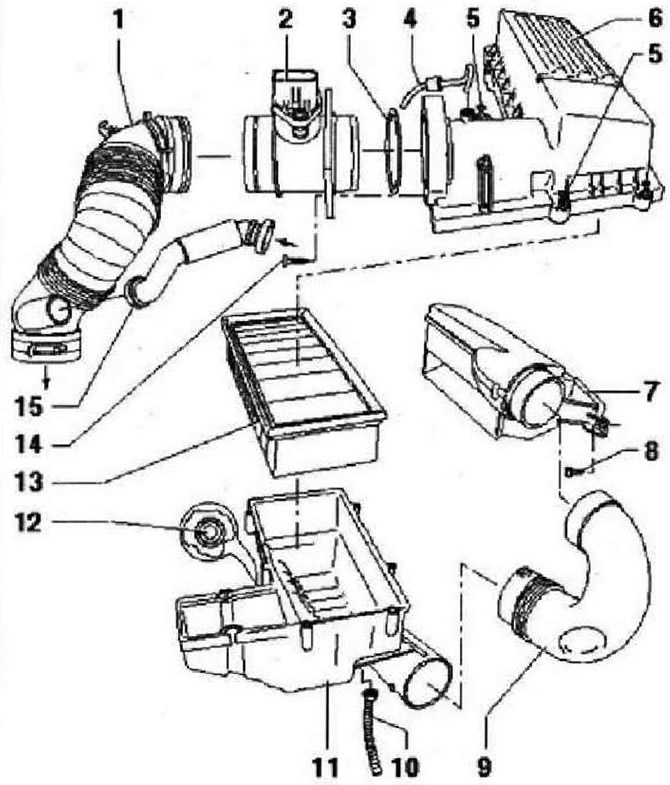
- 1 - Рукав воздухозаборника к турбонагнетателю
- 2 - Расходомер воздуха «G70»
- 3 - Уплотнительное кольцо, при наличии повреждений заменить
- 4 - Вакуумный шланг к электромагнитному клапану ограничения давления турбонаддува «N75»
- 5 - 2 Нм
- 6 - Верхняя часть воздушного фильтра
- 7 - Воздухозаборный патрубок, привинчен к рамке радиатора
- 8 - 2 Нм
- 9 - Соединительный шланг
- 10 - Дренажная трубка
- 11 - Нижняя часть воздушного фильтра
- 12 - 8 Нм
- 13 - Фильтрующий элемент
- 14 - 2 Нм
- 15 - Соединительная трубка от клапанной крышки, для системы вентиляции картера

Комментарии посетителей