Инструкция: После каждой замены тормозных колодок несколько раз сильно нажать на педаль термом. Это необходимо для того, чтобы тормозные колодки занят свое рабочее положение. Для откачивания тормозной жидкости из бачка использовать устройство для наполнения и прокачки тормозной системы -VAS 5234- ми устройство откачки -VAG 1869/4-. Перед снятием тормозного суппорта или отсоединенной тормозного шланга установить распорку -V.A.G 1869/2-(при этой снизить давление).

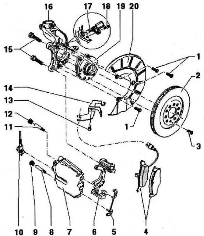
- 1 - Винт Torx, 12 Нм
- 2 - Тормозной диск, вентилируемый, 312 мм, толщина 25 мм, предельно допустимая величина: 22 мм, заменять все колодки для соответствующей оси, для снятия необходимо предварительно демонтировать тормозной суппорт
- 3 - Винт Torx, 4 Нм
- 4 - Тормозные колодки, толщина - 14 мм (без учета толщины опорной пластины), с датчиком износа, при достижении минимальной допустимой толщины колодки (примерно 4 мм) на панели приборов загорается контрольная лампа, предельно допустимая величина: 2 мм без учета толщины опорной пластины, заменять все колодки для соответствующей оси
- 5 - Пружина, вставить в оба отверстия тормозного суппорта
- 6 - Скоба, крепится к поворотному кулаку
- 7 - Тормозной суппорт, для замены тормозных колодок откручивать тормозной шланг не требуется
- 8 - Направляющая, 30 Нм
- 9 - Колпачок, снять
- 10 - Тормозной шланг со штуцером и полым винтом, 35 Нм
- 11 - Направляющая, 30 Нм
- 12 - Колпачок, снять
- 13 - Болт
- 14 - Кронштейн
- 15 - Самостопорящийся болт, 200 Нм, очистить при повторном применении
- 16 - Поворотный кулак с привинчивающейся тормозной скобой
- 17 - Датчик частоты вращения ABS, перед установкой датчика частоты вращения очистить отверстие и нанести немного пластичной тугоплавкой смазки G052112A3
- 18 - Болт с внутренним шестигранником, 8 Нм
- 19 - Ступица колеса с подшипником (подшипниковый узел), магнитное кольцо для работы датчика ABS встроено в подшипник
- 20 - Щиток
(Оригинал текста можно найти на: vwmanual)

Комментарии посетителей