В приводе рулевого механизма с зубчатой рейкой нет зазоров при повороте рулевого колеса до упора как вправо, так и влево; он не требует ухода, за исключением проверки в рамках технического обслуживания состояния гофрированных чехлов и наконечников рулевых тяг. Управление колесами облегчается благодаря гидравлическому усилителю рулевого механизма. Гидравлический усилитель рулевого механизма способствует тому, чтобы затраты усилий на поворот управляемых колес были как можно меньше. Усилитель рулевого механизма состоит из масляного насоса с электроприводом, расположенного над ним бачка с маслом и трубопроводов. Насос и бачок с маслом находятся слева за передним бампером и доступны после снятия облицовки колесной арки. Насос забирает масло из бачка и под высоким давлением подает к клапану, расположенному в корпусе рулевого механизма. Клапан механически связан с рулевой колонкой и направляет масло в зависимости от положения управляемых колес в соответствующую камеру рабочего цилиндра в корпусе рулевого механизма. Здесь масло давит на связанный с зубчатой рейкой поршень, что способствует уменьшению усилия, прикладываемого водителем к рулевому колесу. Проверка уровня масла в бачке гидроусилителя рулевого механизма изложена в разделе «Работы по техническому обслуживанию».
Указание по технике безопасности: Сварочные и рихтовочные работы на деталях рулевого управления не допускаются. Самоконтрящиеся, а также ржавые болты и гайки в случае ремонта всегда заменять на новые.
Внимание: Предписанные значения моментов затяжки резьбовых соединений выдерживать неукоснительно. При отсутствии достаточного опыта работы с рулевым управлением должны выполняться на СТО.
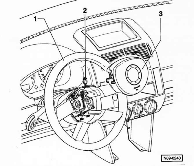
В рулевом колесе установлена надувная подушка безопасности для водителя. Она представляет собой сложенный надуваемый мешок, который в случае фронтального столкновения наполняется газом и защищает верхнюю часть тела и голову водителя от удара о рулевое колесо. При достаточно сильном фронтальном столкновении блок управления воспламеняет небольшой пиропатрон в узле надувной подушки, и образующиеся при взрыве газы надувают подушку в течение нескольких миллисекунд. Этого времени достаточно, чтобы демпфировать столкновение устремляющегося вперед по инерции водителя. После этого надувная подушка в течение нескольких секунд складывается, так как газы выходят через имеющиеся в подушке отверстия.
1 — рулевое колесо
2 — штекер
3 — узел надувной подушки безопасности

Комментарии посетителей