2. Перед снятием одного или другого тросика необходимо установить рычаг выбора передач в положение "Р" (парковка).
3. Чтобы снять тросик педали газа, необходимо сначала ослабить регулировочную гайку тросика, а затем отсоединить тросик от рычага управления, а металлическую защиту тросика отсоединить от его кронштейна. Затем можно отсоединить тросик от педали и снять его таким же образом, как и на моделях автомобилей с механической коробкой передач.
4. Для того, чтобы снять тросик дросселя, необходимо ослабить гайку и контргайку в поддерживающем кронштейне на карбюраторе, снять зажим, крепящий тросик, и отсоединить его от карбюратора.
5. На конце тросика при коробке передач приподнять и снять крепящий зажим и отсоединить тросик от рычага управления и крепящего кронштейна.
6. Установка обоих тросиков производится в последовательности. обратной снятию, но каждый тросик необходимо отрегулировать.
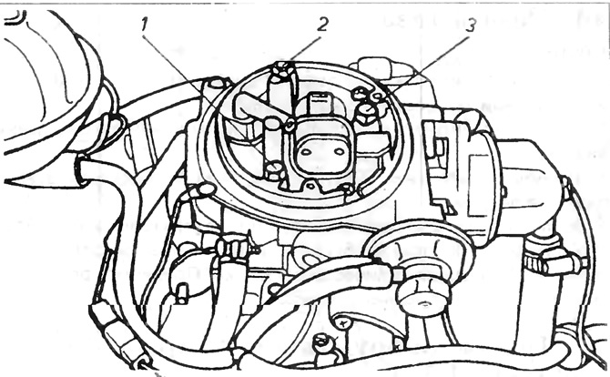
Рис. 3.12. Крепление карбюратира 2Е2
1, 2, 3 диаметральные болты, крепящие карбюратор к коллектору.

Комментарии посетителей