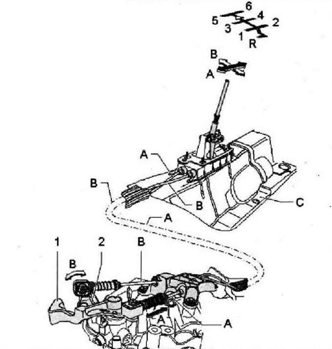
Монтажное положение механизма переключения передач

Стрелка А направление включения передачи. Стрелка В направление выбора передачи.
- А - Трос включения передачи
- В - Трос выбора передачи
- С - Теплозащитный кожух, демонтировать перед снятием механизма переключения передач
- 1 - Рычаг включения передачи
- 2 - Рычаг выбора передач
Инструкция: Перед проведением работ по ремонту механизма переключения передач а моторном отсеке необходимо отсоединить провод массы от аккумуляторной батареи. После присоединения клемм батареи произвести необходимые работы. Снять корпус воздушного фильтра в сборе, если он располагается над механизмом переключения передач. Для замены приводных тросов снять механизм переключения передач. Приводные тросы не перегибать!
Снятие и установка наконечника рычага переключения передач с чехлом

- 1 - Накладка с изображением схемы переключения передач, осторожно поддев, можно извлечь из пластмассового или кожаного наконечника рычага переключения передач
- 2 - Наконечник рычага переключения передач с чехлом, наконечник рычага переключения передач и его чехол не отделяются друг от друга, заменяются всегда комплектом
- 3 - Хомут для крепления наконечника к рычагу переключения передач, обязательно заменить
- 4 - Накладка ка центральную консоль, имеется только в некоторых исполнениях в виде отдельной детали
- 5 - Шумоизолирующий кожух, устанавливается не на все автомобили, для правильной установки на шумоизолирующем кожухе предусмотрена стрелка, которая должна быть направлена по направлению движения автомобиля, фиксирующие выступы расположены на разных расстояниях друг от друга, поэтому шумоизолирующий кожух может быть установлен только в одном положении

Комментарии посетителей