
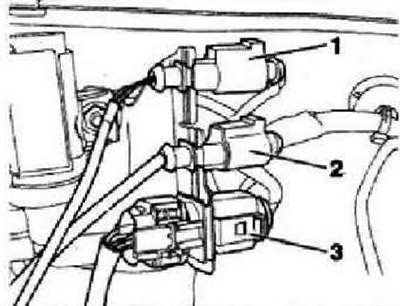
Deconectați conectorul senzorului de temperatură a gazelor de eșapament 3 "G495" "1" (fixat în spatele suportului). Deconectați conectorii de la suporturi și scoateți cablurile din suporturile de pe peretele frontal al cutiei de evacuare a apei "2" și din turbocompresor.

Deconectați conectorul, deșurubați șurubul "2" și scoateți suportul senzorului de presiune a gazelor de eșapament 1 "G450", inclusiv senzorul deplasându-l în sensul de deplasare. Deșurubați senzorul de presiune a gazelor de eșapament 1 "G450" de pe suport. Așezați senzorul de presiune a gazelor de eșapament 1 "G450" pe filtrul de particule diesel. Scoateți sonda lambda "G39". Scoateți senzorul de temperatură a gazelor de eșapament 3 "G495" folosind un set de scule pentru 17 "T10395".

Deșurubați șurubul de fixare "săgeata" de pe suportul superior al filtrului de particule diesel. Scoateți tava de izolare fonică. Scoateți senzorul de temperatură a gazelor de eșapament 4 3 "G648" folosind un set de scule pentru 17 "T10395".

Slăbiți clema "1" care conectează filtrul de particule și turbocompresorul. Slăbiți piulițele care fixează filtrul de particule pe suport folosind cheia cu clichet T10384.

Deșurubați piulițele care fixează "săgeata" suportului filtrului de particule "A" de pe carter și scoateți suportul.

Deșurubați șuruburile "1" ale scutului termic "A" deasupra arborelui de antrenare din dreapta și scoateți scutul. Asigurați elementul detașabil al părții frontale a sistemului de evacuare cu dispozitivul de protecție la transport "T10404". Slăbiți clema de pe țeava de evacuare. Nu scoateți clema. Scoateți scutul termic de sub tunelul vehiculului. Deplasați clema de montare spre conducta de admisie. Rotiți filtrul de particule diesel cu al 2-lea mecanic, astfel încât să poată fi scos în jos. Aveți grijă să nu deteriorați firele sau alte componente.

Instalare
Asigurați elementul detașabil al părții frontale a sistemului de evacuare cu dispozitivul de protecție la transport "T10404". Rotiți filtrul de particule diesel cu al 2-lea mecanic, astfel încât să poată fi introdus în sus în spațiul de lucru. Aveți grijă să nu deteriorați firele sau alte componente. Glisați clema dublă în poziția corectă pe țeava de evacuare. Montați suportul inferior al filtrului de particule diesel pe carter și strângeți piulița de montare cu mâna. Instalați filtrul de particule diesel pe suport. Înșurubați manual șurubul de fixare de pe suportul superior al filtrului de particule diesel. Instalați sonda lambda "G39". Instalați 3 senzori de temperatură a gazelor de eșapament 3 "G495" folosind un set de scule pentru 17 "T10395". Instalați 4 senzori de temperatură a gazelor de eșapament 3 "G648" folosind un set de scule pentru 17 "T10395". Trageți în sus cablurile electrice ale senzorilor de temperatură. Puneți clema de pe turbocompresor în poziția corectă și strângeți-o. Strângeți șuruburile de montare în următoarea secvență.
1. Suportul inferior al filtrului de particule diesel pe blocul motor.
2. Filtrul de particule diesel la suportul inferior, utilizați cheia cu clichet cu cap deschis "T10384".
3. Filtru de particule diesel la suportul superior.
Instalați scutul termic al arborelui de antrenare. Instalați suportul de fixare a conductei de jos pe subcadru. Strângeți clema dublă de evacuare.

Comentariile vizitatorilor