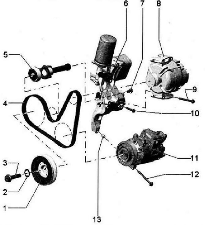
Napęd za pomocą paska wielorowkowego

- 1 - Tłumik drgań skrętnych z kołem pasowym wielorowkowym
- 2 - Pierścień uszczelniający, wymienić
- 3 - Przykręcić, wymienić, momentem 150 Nm i dokręcić o 90°. Do odkręcania i dokręcania należy stosować podporę kontrującą "T10355"
- 4 - Pasek wielorowkowy, sprawdź pod kątem zużycia, nie zginaj. Ryzyko uszkodzenia używanego paska wielorowkowego przy zmianie kierunku jego pracy. W przypadku ponownego montażu, przed zdjęciem paska wielorowkowego, należy zaznaczyć kierunek jego ruchu kredą lub pisakiem. Podczas montażu należy zwrócić uwagę na prawidłową pozycję kół pasowych
- 5 - Napinacz paska wielorowkowego. Aby poluzować napięcie paska wielorowkowego, należy przekręcić napinacz zwykłym kluczem. Zabezpieczyć za pomocą kołka blokującego -T10060 A-
- 6 - Dodatkowe jednostki uchwytowe z czujnikiem ciśnienia oleju "F1", filtrem oleju i chłodnicą oleju
- 7 - Śruba, 10 Nm
- 8 - Generator
- 9 - Śruba, 23 Nm
- 10 - Śruba
- 11 - Nie odkręcaj ani nie odłączaj sprężarki klimatyzacji ani przewodów czynnika chłodniczego
- 12 - Śruba, 25 Nm
- 13 - Tuleja centrująca sprężarki klimatyzacji
Poszczególne części napinacza paska wielorowkowego

- 1 - Napinacz paska wielorowkowego
- 2 - Część pomocnicza
- 3 - Dodatkowy wspornik jednostek
- 4 - Tuleja centrująca
- 5 - Śruba
Kolejność dokręcania śrub wspornika dodatkowych jednostek

Zamontuj uchwyt dla dodatkowych jednostek i najpierw przykręć śrubę "4". Dokręć śruby w kolejności -1...5- w 3 etapach.
- 1. Dokręć śruby ręcznie.
- 2. Dokręć śruby momentem 20 Nm.
- 3. Dokręć śruby o 90°.
Wyjmowanie i zakładanie paska wielorowkowego
Uwaga: Istnieje ryzyko uszkodzenia wcześniej używanego paska wielorowkowego przy zmianie kierunku jego pracy. W przypadku ponownego montażu, przed zdjęciem paska wielorowkowego, należy zaznaczyć kierunek jego ruchu kredą lub pisakiem.
Usuń izolację akustyczną. Zdejmij prawy wąż kanału powietrznego oznaczony strzałką.

Aby poluzować pasek wielorowkowy, należy obrócić napinacz od dołu w kierunku wskazanym strzałką.

Zabezpiecz napinacz paska za pomocą kołka blokującego -T10060 A-. Zdejmij pasek wielorowkowy.
Montaż wykonuje się w odwrotnej kolejności, zwracając uwagę na poniższe wskazówki.
Instrukcje: Przed zamontowaniem paska wielorowkowego należy zamontować generator i sprężarkę klimatyzacji.
Najpierw załóż pasek wielorowkowy na koło pasowe wału korbowego, a następnie na sprężarkę klimatyzacji i generator.

Nieznacznie obrócić napinacz kluczem płaskim i wyjąć sworzeń blokujący -T10060 A-. Poluzuj napinacz. Sprawdź, czy pasek wielorowkowy jest prawidłowo założony. Uruchom silnik i sprawdź, czy pasek wielorowkowy działa prawidłowo.
Wyjmowanie i instalowanie wspornika dodatkowych jednostek
Spuść płyn chłodzący. Zdejmij pasek wielorowkowy. Jeżeli występuje, należy zdemontować rurę doprowadzającą powietrze do rezonatora. Wyjmij generator. Odłączyć złącze elektryczne "1" zaworu regulacyjnego sprężarki klimatyzacji "N₂80".
UWAGA: Ryzyko obrażeń spowodowanych płynem chłodzącym. Zabrania się dekompresji układu chłodniczego klimatyzacji.

Odkręć śruby oznaczone strzałką mocujące sprężarkę klimatyzacji.
Uwaga: Ryzyko uszkodzenia przewodów i węży chłodniczych. Nie skręcaj, nie łam i nie zginaj przewodów i węży chłodniczych.

Przymocuj sprężarkę klimatyzacji do przewodów podłączonych do podłużnicy od góry. Odkręć śrubę ze strzałką na rurce prowadzącej miarki poziomu oleju. Odkręcić śruby -1...5- i wyjąć wspornik dodatkowych jednostek z obudowy pompy płynu chłodzącego.
Instalacja
Instrukcje: Wymień śruby/wkręty, które zostały dokręcone poprzez ich dokręcenie pod określonym kątem. Wymień pierścienie uszczelniające i uszczelki.
Nasmaruj pierścienie uszczelniające "4" koncentratem "G12 plus-plus". Włożyć złączkę przyłączeniową "2" do obudowy "3" pompy płynu chłodzącego. Nasuń wspornik dodatkowych jednostek "1" na nypel przyłączeniowy "2".

Zamontuj uchwyt dla dodatkowych jednostek i najpierw przykręć śrubę "4". Dokręć śruby w 3 etapach.
- 1. Dokręć śruby ręcznie.
- 2. Dokręć śruby momentem 20 Nm.
- 3. Dokręć śruby o 90°.
Dalszy montaż przeprowadza się w odwrotnej kolejności, biorąc pod uwagę poniższe wskazówki. Zainstaluj sprężarkę klimatyzacji. Zainstaluj generator.
Wyjmowanie i instalacja tłumika drgań skrętnych
Zdejmij ekran dźwiękochłonny. Zdejmij przednią część prawego błotnika lub przedniego prawego błotnika.
Samochody z niezależnym ogrzewaniem
Odłączyć zacisk "1" i odkręcić śrubę "2". Zamontuj tłumik niezależnego ogrzewacza.

Wszystko
Odkręć śruby ze strzałkami. Zdejmij kanał powietrzny podnosząc wsporniki -1 i 2-. Zdejmij pasek wielorowkowy.

Obrócić tłumik drgań skrętnych za pomocą ogranicznika "T10355" do położenia "GMP" "strzałka". Wycięcie na amortyzatorze powinno znajdować się naprzeciwko strzałki na dolnej pokrywie napędu łańcuchowego. Odkręć śrubę tłumika drgań, używając w tym celu ogranicznika "T10355".
Uwaga: Ryzyko uszkodzenia silnika. Aby uniknąć konieczności regulacji rozrządu, nie należy obracać wału korbowego z położenia GMP przy wymontowanym tłumiku drgań skrętnych.

Instalacja
Montaż wykonuje się w odwrotnej kolejności, zwracając uwagę na poniższe wskazówki.
Instrukcje: Wymień śrubę tłumika drgań. Wymień pierścień uszczelniający

Nasmaruj powierzchnie uszczelniające pierścienia uszczelniającego wału olejem przekładniowym. Zamontuj tłumik drgań skrętnych zwracając uwagę na kontur zębów "strzałki".

Komentarze gości