

ПРИМЕЧАНИЕ: Демонтаж балансирного вала возможен только в том случае, если предварительно был снят модуль раздаточного механизма.
ВНИМАНИЕ: Верхняя часть рампы опор двигателя соединена с блоком цилиндров посредством двух болтов М8 с внутренним шестигранником, которые находятся между головками блока цилиндров. Данные соединения ни в коем случае нельзя раскручивать, так как в результате происходит не поддающееся ремонту деформирование блока цилиндров.
ПРИМЕЧАНИЕ: Для проведения монтажных работ двигатель необходимо закрепить с помощью фиксатора для двигателя и коробки передач IMS 6095.
Установите зажимное приспособление Т10201 на нижнюю часть рампы опор коленчатого вала так, как показано на рисунке 2.170.

Затяните болты зажимного приспособления Т10201 с моментом 20 Нм.
Снимите нижнюю часть рампы опор двигателя.
Установка
Установите зажимное приспособление Т10201 на нижнюю часть рампы опор коленчатого вала и затяните болты с моментом 20 Нм.
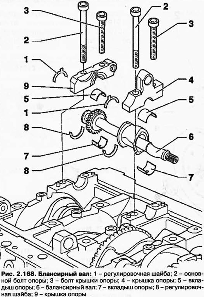
Следите за тем, чтобы все вкладыши опор были правильно установлены в опорных кронштейнах.
Обращайте внимание на регулировочные шайбы.
Осторожно установите нижнюю часть рампы опор коленчатого вала в блок цилиндров.
Затяните основные болты опоры в три этапа в указанной последовательности (рис. 2.171 показывает направление движения).
1 - Затяните динамометрическим ключом:
- этап 1 = 35 Н·м;
- этап 2 = 65 Н·м.
2 - Далее вращайте обычным ключом:
- этап III = довернуть на 1/2 оборота (180°).


Комментарии посетителей