Снятие
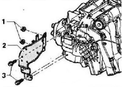
Снять левый воздуховод для пространства для ног. Снять облицовку пространства для ног со стороны водителя. Снять диагностический интерфейс шин данных «J533». Выкрутить болты «3» (9±1,3 Нм). Гайки «1» не откручивать. Кронштейн «2» не снимать.

Сдвинуть кронштейн а направлении педали тормоза «стрелка» и закрепить его там с помощью кабельной стяжки.

Рекомендуется пометить разъём «С» для исполнительного электродвигателя, чтобы в дальнейшем не перепутать его с другими подобными разъёмами. Отсоединить разъём «С» на исполнительном электродвигателе заслонки регулирования температуры «V68». Снять крышку «А». Открутить крепежные болты «D» 1,4 Нм и снять исполнительный электродвигатель заслонки регулирования температуры «V68» «B», Отсоединить рычаг «Е» электродвигателя от соединительной тяги «F».

Установка
Инструкция: Модернизированные исполнительные электродвигатели помечены знаком «X»
Для лучшего крепления следует использовать винт с полукруглой головкой -N 103 254 01-, который нужно укоротить на = 2 мм. Для этого можно, например, отрезать с помощью бокорезов крепежное ушко «1» от старого электродвигателя заслонки регулирования температуры «V68».

Закрепить новый, помеченный знаком "X", исполнительный электродвигатель заслонки регулирования температуры «V68» с помощью винта «2» с укорачивающей его стержень отрезанной проушиной «1» к корпусу вентилятора через проушину «3».

Инструкция: После установки проверить работу левой заслонки регулирования температуры. С помощью тестера -VAS 5051В- (или последующей модели) выполнить базовую установку.

Комментарии посетителей