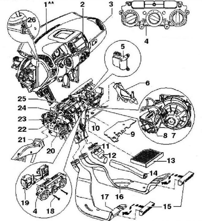
Инструкция: Перед снятием узлов, помеченных** отключить аккумуляторную батарею. Табличка на передней несущей панели информирует о типе используемого хладагента и заправочном объёме системы.

- 1 - Передняя панель**
- 2 - Центральный дефлектор
- 3 - Дефлектор
- 4 - Блок поворотных регуляторов отопителя и климатической установки Climatronic, с переключателем "приточная вентиляция/рециркуляция" «Е159», у автомобилей с дополнительным отопителем с клавишей быстрого нагрева «Е537», с клавишей для включения обогрева заднего стекла «Е230», с переключателем приточного вентилятора «Е9», у автомобилей с подогревом сидений, кроме того, с регулятором подогрева сиденья водителя «Е94» и регулятором подогрева сиденья переднего пассажира «Е95», с блоком управления климатической установки «J301»
- 5 - Исполнительный электродвигатель заслонки рециркуляции воздуха «V113»
- 6 - Правый воздуховод пространства для ног
- 7 - Приточный вентилятор «V2»
- 8 - Балластное сопротивление приточного вентилятора с защитой от перегрева «N₂4»
- 9 - Термозащитный экран
- 10 - Датчик температуры испарителя «G308» или датчик температуры воздуха на выходе испарителя «G263»
- 11 - Заглушки, только у автомобилей, не оснащенных воздуховодом для центрального дефлектора
- 12 - Воздуховод, для его снятия необходимо демонтировать центральную консоль
- 13 - Салонный фильтр с абсорбером из активированного угля
- 14 - Штуцер для воздуховода центральной консоли, для его снятия необходимо демонтировать центральную консоль
- 15 - Решетки дефлекторов
- 16 - Воздуховод к пространству для ног задних пассажиров, правый
- 17 - Воздуховод к пространству для ног задних пассажиров, левый
- 18 - Винт, 8 шт.
- 19 - Адаптер для поворотных регуляторов
- 20 - Теплообменник
- 21 - Левый воздуховод пространства для ног
- 22 - Исполнительный электродвигатель заслонки регулирования температуры «V68»
- 23 - Гибкий вал
- 24 - Датчик температуры воздуховода пространства для ног «G192»
- 25 - Модуль отопителя и климатической установки
- 26 - Датчик температуры центрального дефлектора «G191»

Комментарии посетителей