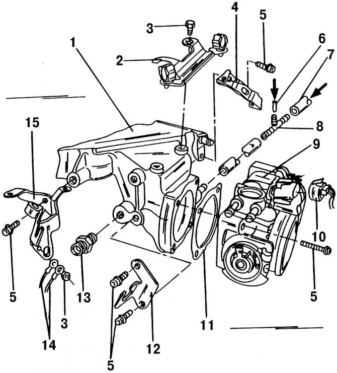
Рис. 200. Детали, установленные вблизи корпуса дроссельной заслонки: 1 - верхняя часть впускного коллектора; 2 - направляющая кабеля; 3 - болт, 10 Н·м; 4 - задняя правая опора между верхней частью впускного трубопровода и головкой блока цилиндров; 5 - болт, 25 Н·м; 6 - вакуумный шланг, от клапана системы вентиляции картера; 7 - вентиляционный шланг, от системы очистки посредством активированного угля; 8 - Т-образный штуцер; 9 - корпус дроссельной заслонки; 10 - штекерная колодка, черного цвета, 8 разъемов; 11 - прокладка, следует заменить; 12 - опора троса привода дроссельной заслонки; 13 - соединительный элемент, 35 Н·м (для клапана EGR); 14 - «массовый» кабель; 15 - левая задняя опора между верхней частью впускного коллектора и головкой блока цилиндров
В корпусе 9 (рис. 200) дроссельной заслонки размещены различные элементы. В нем расположена дроссельная заслонка, которая через рычаг валика и трос привода дроссельной заслонки соединена с педалью «газа» (педаль управления подачей топлива). В зависимости от положения педали «газа», впускное отверстие открывается или закрывается. При полной нагрузке (педаль «газа» в пол) впускное отверстие открывается полностью.
Потенциометр дроссельной заслонки
(Смотрите оригинал на этом ресурсе: «VWmanual.ru»)
Потенциометр дроссельной заслонки встроен в ЭБУ. Он определяет положение дроссельной заслонки в данный момент времени и при всех условиях работы двигателя и передает эту информацию ЭБУ.
При повороте дроссельной заслонки в ответ на движение педали акселератора ось дроссельной заслонки передает вращательное движение на датчик положения дроссельной заслонки, и на нем при этом происходит изменение напряжения выходного сигнала. Измеряя выходное напряжение сигнала, ЭБУ определяет текущее положение дроссельной заслонки, необходимое для расчета угла опережения зажигания и длительности импульсов впрыска.
Таким образом, осуществляется управление стабилизацией холостого хода, выключение подачи топлива или обогащение рабочей смеси при полном открытии дроссельной заслонки.
Клапан стабилизации холостого хода
Клапан стабилизации холостого хода обеспечивает регулировку частоты вращения коленчатого вала двигателя на холостом ходу при установке на автомобиле гидроусилителя рулевого управления, автоматической коробки передач или при включенном кондиционере. Клапан стабилизации холостого хода пропускает через корпус дроссельной заслонки дополнительное количество воздуха, которое проходит через датчик массового расхода воздуха, что вызывает поступление в двигатель дополнительного количества топлива, позволяя увеличить мощность двигателя, для обеспечения работы гидроусилителя рулевого управления, кондиционера или автоматической коробки передач.

Комментарии посетителей