Проверку датчика Холла проводите следующим образом.
Двигатель VR6
- отсоедините провода ВН из трансформатора высокого напряжения и снимите направляющую проводов ВН со стороны трансформатора;
Рис. 216. Положение штекерной колодки датчика Холла на двигателе VR6
- отсоедините штекерную колодку (рис. 216, показано стрелкой) датчика Холла;
Рис. 217. Проверка датчика Холла на двигателе VR6. «1», «2», «3» - номера клемм штекерной колодки
- подключите вольтметр к клемме «1» и к клемме «3» (рис. 217) штекерной колодки датчика Холла. Напряжение должно составлять минимум 11,5 В;
- если это не так, то обратитесь на СТО.
2,0-литровый двигатель
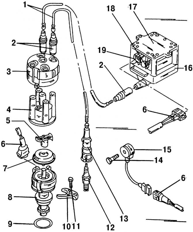
Рис. 210. Элементы системы зажигания на 2,0-литровом двигателе (с системой впрыска Simos): 1 - провод ВН, к свече зажигания; 2 - штекер подавляющий радиопомехи; 3 - защитная крышка; 4 - крышка распределителя зажигания; 5 - бегунок распределителя зажигания; 6 - трехконтактная штекерная колодка; 7 - пылезащитная крышка; 8 - распределитель зажигания с датчиком Холла; 9 - O-образное уплотнительное кольцо; 10 - прижимная рейка; 11 - болт, 25 Н·м; 12 - свеча зажигания, 30 Н·м; 13 - наконечник провода ВН, на свечу зажигания; 14 - болт, 20 Н·м; 15 - датчик детонации (G61); 16 - трансформатор высокого напряжения (N 152); 17 - выходной каскад трансформатора высокого напряжения (N157); 18 - клемма «15»; 19 - клемма «1»
- отсоедините штекерную колодку 6 (рис. 210) от распределителя зажигания 8;
Рис. 218. Проверка датчика Холла на 2,0-литровом двигателе
- подключите вольтметр между внешними клеммами штекерной колодки (рис. 218). Напряжение должно составлять минимум 10,0 В;
- если это не так, то обратитесь на СТО.
Проверка датчика детонации
Проверку датчиков детонации проводите на СТО.

Комментарии посетителей