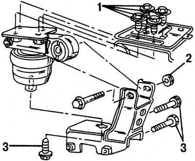
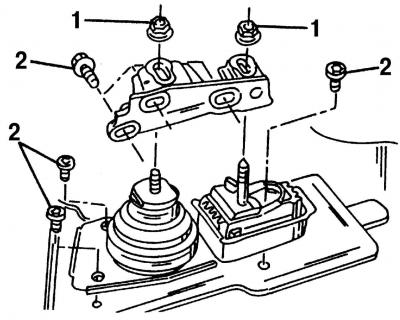
Всегда соблюдайте моменты затяжки болтов крепления опор подвески двигателя. При покупке деталей подвески и опор помните, что для механической и автоматической коробки передач они отличаются.
Регулировка подвески двигателя требуется только в том случае, если были сняты двигатель и коробка передач, и от двигателя и его несущей балки была откручена резинометаллическая опора. Для того чтобы правильно установить двигатель сделайте следующее:
- отверните, а затем снова затяните от руки на 5–6 оборотов болты опоры подвески двигателя;
Рис. 24. Правая подвеска двигателя в разобранном состоянии. Моменты затяжки болтов крепления опор подвески: 1 = 55 Н·м; 2 = 60 Н·м
- покачайте двигатель вперед-назад, чтобы он выровнялся, и затяните болты и гайки, соблюдая указанные моменты затяжки (рис. 24 и 25).
Рис. 25. Правая подвеска двигателя в разобранном состоянии на автомобиле с автоматической коробкой передач. Моменты затяжки болтов крепления опор подвески: 1 = 55 Н·м; 2 = 110 Н·м; 3 = 60 Н·м

Комментарии посетителей