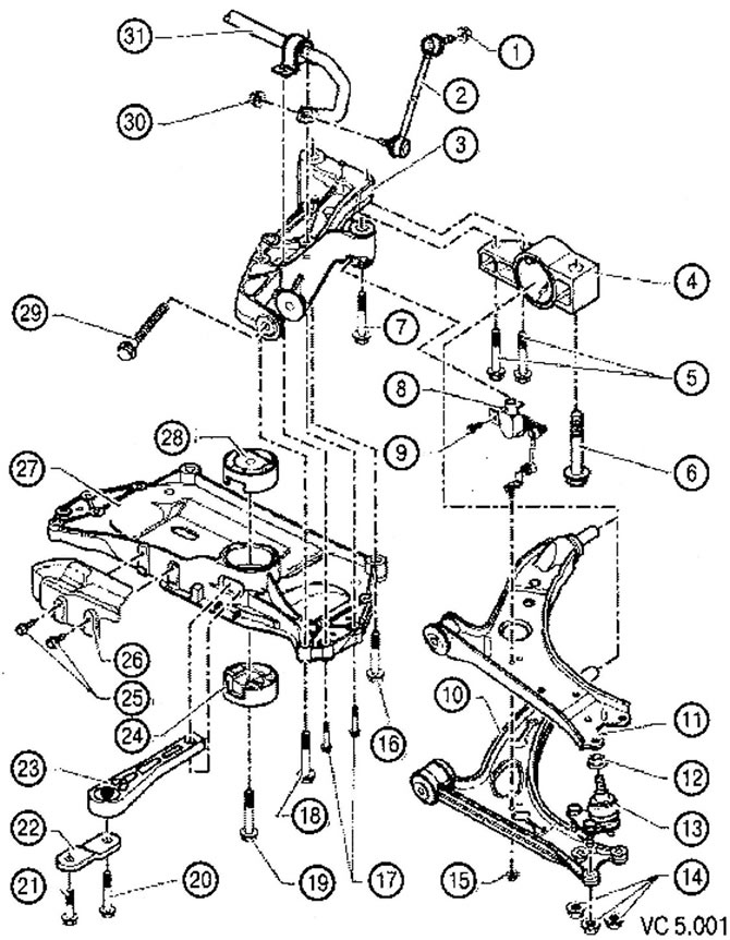
На рисунке изображена левая часть передней подвески:
1. Гайка: 65 Нм
2. Стойка стабилизатора
3. Консоль
4. Опорный кронштейн с сайлент-блоком
5. болт: 50 Нм + 90°
6. Болт: 70 Нм + 90°
7. Болт: 70 Нм + 90°
8. Датчик дорожного просвета
9. Болт: 9 Нм
10. Рычаг (1)
11. Рычаг (2)
12. Гайка: Нм
13. Шаровая опора
14. Гайка: Нм
15. Гайка: 9 Нм
18. Болт; 70 Нм + 90°
17. Болт: 20 Нм + 90°
18. Болт 70 Нм + 90°
19. Болт: 100 Нм + 90°
20. Болт: 40 Нм + 90°
21. Болт: 40 Нм + 90°
22. Кронштейн
23. Нижняя опора силового агрегата
24. Нижний сайлен-блок нижней опоры силового агрегата
25. Болт: 6 Нм
26. Теплозащитный экран
27. Подрамник
28. Верхний сайлент-блок нижней опоры силового агрегата
29. Болт: 70 Нм + 90°
30. Гайка: 65 Нм
31. Стабилизатор

Комментарии посетителей