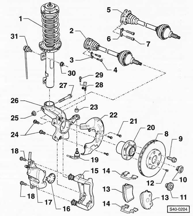
1 — амортизационная стойка
2 — карданный вал с шарниром равных угловых скоростей
3 — подкладочная пластина
Имеются разные размеры, определяются по каталогу запасных частей.
4 — болт с цилиндрической головкой и внутренним многогранником
После каждого демонтажа заменять. Все болты предварительно затянуть моментом 10 Нм, после чего перекрестным способом затянуть их моментом 40 Нм. Болты М10х52 предварительно затянуть моментом 10 Нм. после чего перекрестным способом затянуть моментом 70 Нм.
5 — карданный вал с шарниром «Трипод»
6 — подкладочная пластина
Использовать только в комплекте с болтами с цилиндрической головкой и внутренним многогранником М8х28.
7 — болт с цилиндрической головкой
После каждого демонтажа заменять. Все болты предварительно затянуть моментом 10 Нм, после чего перекрестным способом затянуть их предписанным моментом.
- М8х18, М8х28: 40 Нм;
- М10х23: 70 Нм.
8 — тормозной диск
9 — колесный болт, 120 Нм
10 — гайка со штампованным ободком, серебристая, 30 Нм
После каждого демонтажа заменять. При замене гайку со штампованным ободком заменять с обеих сторон на 12-гранную гайку. Перед установкой на резьбу хвостовика наружного шарнира карданного вала нанести смазку Polyharnstoff G052142A2.
11 — 12-гранная гайка, серебристая, 50 Нм, затем довернуть на 45°.
После каждого демонтажа заменять. На резьбу хвостовика наружного шарнира карданного вала смазку не наносить.
12 — винт, 4 Нм
13 — тормозные колодки
14 — стопорная пружина колодок
15 — направляющая колодок
16 — теплозащитный экран
17 — суппорт
18 — болт с шестигранной головкой, 30 Нм
19 — рулевая тяга и наконечник рулевой тяги
20 — ступица с подшипником
Кольцо датчика для ABS после каждого демонтажа заменять. Ступица и подшипник образуют не требующий обслуживания узел. Регулировочные и ремонтные работы невозможны. Перед установкой на шлицы ступицы нанести смазку Polyharnstoff G052142А2.
21 — болт, 10 Нм
22 — защитный экран
23 — гайка, 20 Нм и затем довернуть на 90° (¼ оборота)
После каждого демонтажа заменять.
24 — болт, 125 Нм
После, каждого демонтажа чистить оребрение с нижней стороны.
25 — гайка, 60 Нм и затем довернуть на 90° (¼ оборота)
После каждого демонтажа заменять.
26 — поворотный кулак
27 — болт
После каждого демонтажа заменять. Резьба болта должна быть обращена в сторону движения автомобиля.
28 — датчик частоты вращения ABS
29 — болт с внутренним шестигранником в головке, 8 Нм
Для датчика частоты вращения ABS
30 — гайка, 40 Нм
31 — соединительная тяга

Комментарии посетителей