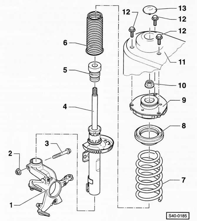
1 — поворотный кулак
2 — гайка, 60 Нм + 90°
Заменять после каждого демонтажа.
3 — болт
Заменять после каждого демонтажа.
4 — амортизатор
Заменяется отдельно.
5 — ограничительный буфер
6 — гофрированный чехол
7 — витая пружина
Использовать пружины с такой же цветовой маркировкой и заменять одновременно обе пружины моста. На мост устанавливать пружины только от одного изготовителя. Наружные поверхности витков пружин не должны иметь повреждений.
8 — упорный шарикоподшипник с желобчатыми дорожками качения
9 — опора амортизационной стойки
10 — гайка, 60 Нм + 90°
Самоконтрящаяся, заменять после каждого демонтажа.
11 — опорная чашка колесной арки
12 — болт, 15 Нм + 90°
Заменять после каждого демонтажа. При монтаже амортизационной стойки сначала установить болты с внутренней стороны автомобиля.
13 — колпачок
Крепится в опорной чашке колесной арки.
Исходник текста доступен на портале VWmanual.ru

Комментарии посетителей