Указания по снятию:
Внимание: Указания по снятию и установке относятся к обоим двигателям с рабочим объемом 1,2 л.
Снять двигатель вместе с коробкой передач. У автомобиля с системой кондиционирования при этом отложить в сторону балку замка, радиатор и конденсатор. Контур циркуляции хладагента не вскрывать.
Отсоединить коробку передач.
Двигатель AZQ: снять корпус термостата.
Снять поликлиновой ремень.
Отвернуть крепление шкива насоса охлаждающей жидкости.
Снять натяжной элемент ременного привода.
Снять натяжной ролик.
Снять генератор.
Снять компрессор системы кондиционирования и с присоединенными шлангами отложить его в сторону.
Снять шкив коленчатого вала.
Снять датчик уровня/температуры моторного масла.
Снять щуп/поддон для моторного масла.
Снять крышку картера распределительного механизма с цепным приводом.
Снять впускной коллектор.
Снять крышку головки цилиндров или соответственно картер распределительных валов.
Снять топливный коллектор и клапанные форсунки.
Отсоединить все шланги: вакуумные, для охлаждающей жидкости и для всасываемого воздуха.
Отвернуть крепление выпускной трубы к выпускному патрубку.
Двигатель AZQ: отвернуть крепление проушины в зоне маслоналивного отверстия.
Отпустить болты крепления головки цилиндров в последовательности, обратной той, что показана далее на рисунке N15-0522.
Указания по установке.
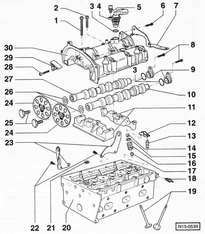
1-2 — болты 6, 10 Нм + 90° (¼ оборота)
Затягивать изнутри наружу.
3 — уплотнительное кольцо
4 — датчик Холла
5-6 — болт, 10 Нм
7 — кронштейн
Для жгута проводов.
8 — болты, 10 Нм
9 — заглушки
10 — выпускной распределительный вал
11 — крышки подшипников распределительных валов
12 — нажимной рычаг с роликом
Рабочую поверхность смазать.
При установке закрепить на гидравлическом компенсаторе стопорной скобой.
13 — гидравлический компенсатор
Местами не менять. Рабочую поверхность смазать.
14 — сухари
15 — тарелка пружины клапана
16 — пружина клапана
17 — маслосъемный колпачок
18 — гидравлический выключатель, на давление 0,3-0,7 бар
19 — клапаны
20 — головка цилиндров
Высота после дообработки: 108,25 мм.
21 — уплотнительное кольцо
В случае загрязнения сетку очистить.
22 — болт, 20 Нм
23 — проушина
24 — звездочка
25 — болты*, 50 Нм + 90° (¼ оборота)
Момент затяжки для двигателя AWY с рабочим объемом 1,2 л: 20 Нм+ 90°.
26 — шайбы*
27 — впускной распределительный вал
28 — болт, 15 Нм
29 — планка успокоителя
30 — картер распределительных валов
Монтажное положение соответствует позиции «1» на рисунке N13-0758.
*) Всегда заменять.

Комментарии посетителей