Оглавление: Педаль акселератора с электрической…↓ Блок управления дроссельной заслонкой ↓ Только двигатель FSI с рабочим…↓
Система вентиляции топливного бака состоит из емкости с активированным углем и электромагнитного клапана (клапана регенерации). В емкости с активированным углем накапливаются пары бензина, которые образуются в баке при нагревании топлива. При работе двигателя пары топлива из емкости с активированным углем отсасываются и подаются в цилиндры двигателя, где сгорают.
Датчики давления во впускном коллекторе и температуры воздуха на впуске расположены в собственном корпусе, который крепится к впускному коллектору. Оба датчика передают блоку управления двигателем сигналы об актуальном нагрузочном режиме двигателя. На основании этихсигналов рассчитывается цикловая подача топлива. У двигателя FSI с рабочим объемом 1.4 л во впускном канале в верхней крышке двигателя расположен второй датчик температуры воздуха на впуске. В дополнение к этому в блоке управления двигателем находится датчик давления окружающей среды.
Лямбда-зонд (кислородный датчик) служит для регулирования каталитического нейтрализатора. Он измеряет содержание кислорода в потоке отработавших газов и посылает соответствующий сигнал блоку управления двигателем. Как правило, устанавливаются 2 кислородных датчика. На основании сигналов второго кислородного датчика, расположенного после каталитического нейтрализатора, проверяется функционирование каталитического нейтрализатора.
Датчик детонационного сгорания ввернут сбоку в блок цилиндров двигателя. В его задачу входит предотвращение опасного детонационного сгорания. Благодаря сигналам датчика угол опережения зажигания задается близким к границе детонационного сгорания, что позволяет более полно использовать энергию сгорания топлива и уменьшить его расход.
Педаль акселератора с электрической связью
Вместо обычной тяги на педали акселератора расположен датчик, который передает блоку управления двигателем сигнал о мгновенном положении педали. На основании этого сигнала блок управления через электрический исполнительный механизм изменяет положение дроссельной заслонки.
Датчик положения педали акселератора расположен в нише для ног водителя непосредственно на шлицевом вале педали акселератора. В целях безопасности этот датчик, как и датчик положения дроссельной заслонки, передает блоку управления дополнительный опорный сигнал.
В корпусе датчика положения педали акселератора расположены 2 контактных потенциометра, закрепленных на общем вале. При каждом изменении положения педали изменяются сопротивления контактных потенциометров и электрические напряжения, которые передаются блоку управления двигателем.
1 — педаль акселератора
2 — контактная дорожка
3 — датчик 1+2
При выходе из строя одного датчика загорается сигнализатор неисправности электрической связи, и код неисправности записывается в запоминающем устройстве. Если выходят из строя оба датчика, то двигатель работаете повышенной частотой вращения холостого хода и не реагирует больше на изменение положения педали акселератора.
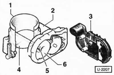
Блок управления дроссельной заслонкой
Дроссельная заслонка расположена в центральном блоке управления, выполняющем различные функции. Основной задачей блока управления является стабилизация частоты вращения коленчатого вала на холостом ходу независимо от нагрузки двигателя вспомогательными агрегатами, такими, например, как гидроусилитель рулевого механизма или компрессор системы кондиционирования.
1 — корпус дроссельной заслонки
2 — привод дроссельной заслонки (исполнительный механизм)
3 — крышка корпуса с встроенной электроникой
4 — дроссельная заслонка
5 — потенциометр дроссельной заслонки (датчик угла поворота 1+2 для привода дроссельной заслонки)
6 — шестерня с пружиной возврата в исходное положение
Исполнительный механизм дроссельной заслонки состоит из исполнительного электродвигателя и системы шестерен с пружиной возврата в исходное положение. Он регулирует положение дроссельной заслонки. Благодаря этому частота вращения коленчатого вала на холостом ходу остается всегда неизменной, независимо от того, включены ли такие вспомогательные агрегаты, как гидроусилитель рулевого механизма или компрессор системы кондиционирования.
Датчик положения дроссельной заслонки расположен на вале дроссельной заслонки. Он передает блоку управления сигналы о мгновенном значении угла наклона дроссельной заслонки. Второй потенциометр передает блоку управления опорный сигнал и вырабатывает заменяющий сигнал при выходе из строя датчика положения дроссельной заслонки.
Только двигатель FSI с рабочим объемом 1,4 л мощностью 63 кВт (86 л.с.)
У двигателя FSI (с послойным смесеобразованием) топливо впрыскивается не во впускной коллектор, а непосредственно в цилиндр.
Если обычные бензиновые двигатели работают на топливовоздушной смеси гомогенного состава, то двигатели с непосредственным впрыскиванием бензина на частичных нагрузках благодаря направленному расслоению заряда могут работать с большим избытком воздуха. В результате этого на частичных нагрузках (до скорости примерно 70 км/ч) уменьшается расход бензина. Таким образом, при послойном смесеобразовании (обозначается коротко аббревиатурой FSI) реализуются два основных способа: способ с послойным смесеобразованием на частичных нагрузках и способ гомогенного смесеобразования при полных нагрузках. Для реализации техники послойного смесеобразования требуется дорогостоящая система управления двигателем. Кроме того, затраты на такой двигатель по сравнению с обычным бензиновым двигателем существенно возрастают.
Например, впускной канал выполняется двухпоточным. При послойном смесеобразовании заслонка впускного коллектора закрывает нижний впускной канал, чтобы всасываемый воздух получал ускорение в верхнем впускном канале и втекал в цилиндр в виде потока цилиндрической формы. Дополнительно поток ускоряется благодаря вогнутости днища поршня. Во время такта сжатия незадолго до момента зажигания топливо под большим давлением (50-100 бар) впрыскивается непосредственно в цилиндр.
Система подачи топлива имеет контур низкого давления и контур высокого давления. В контуре низкого давления электрический насос под давлением примерно 4 бар (не более 5 бар при пуске горячего и холодного двигателя) подает топливо через топливный фильтр к насосу высокого давления. В контуре высокого давления топливо из насоса высокого давления под давлением 50-1100 бар подается в топливный коллектор (Common-Rail) и оттуда поступает к четырем электромагнитным форсункам высокого давления.
Поскольку при послойном смесеобразовании при сгорании из-за избытка воздуха резко возрастает образование окислов азота (NOx), то помимо трехпоточного каталитического нейтрализатора требуется накопительный каталитический нейтрализатор для NOx. По конструкции каталитический нейтрализатор для NOx соответствует трехпоточному каталитическому нейтрализатору. Однако его рабочие поверхности дополнительно покрыты оксидом бария, благодаря чему окислы азота при температурах 250°-500° могут накапливаться в нем в результате промежуточного образования нитратов. Накопительная способность, однако, ограничена, поэтому непосредственно перед достижением границы насыщения осуществляется переключение с послойного смесеобразования на гомогенное, чтобы дать возможность накопленным продукта свободно выгореть.

Комментарии посетителей