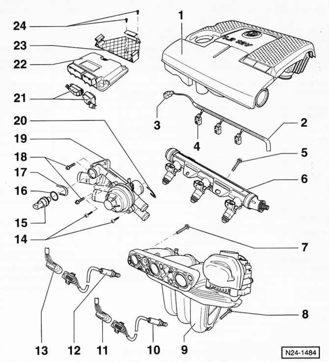
Бензиновый двигатель с рабочим объемом 1,2 л
1 — верхняя крышка двигателя
С встроенным воздушным фильтром.
2 — направляющая проводов
3 — соединительный штекер
Для датчика частоты вращения коленчатого вала, черный, 2-контактный.
4 — соединительный штекер
Для клапанной форсунки, черный, 2-контактный.
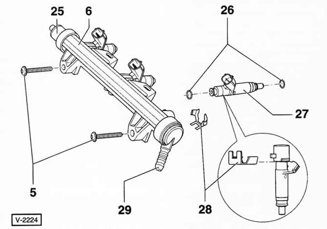
5 — болт, 10 Нм
6 — топливный коллектор с форсунками
7 — болт, 20 Нм
8 — болт, 20 Нм
9 — впускной коллектор
10 — кислородный датчик 1, 50 Нм
Установлен перед каталитическим нейтрализатором. Перед установкой нанести на резьбу смазку VW-G 052 112 АЗ.
Внимание: Смазка не должна попасть на шлицы корпуса датчика.
11 — штекерный разъем
Для кислородного датчика 1 (перед каталитическим нейтрализатором), с подогревом, 6-контактный, черный, контакты 3 и 4 золоченые.
12 — кислородный датчик 2, 50 Нм
Установлен после каталитического нейтрализатора. Перед установкой нанести на резьбу смазку VW-G5. Внимание: Смазка не должна попасть на шлицы корпуса датчика.
13 — штекерный разъем
Для кислородного датчика 2 (после каталитического нейтрализатора), 4-контактный, черный.
14 — болты, 10 Нм
15 — датчик температуры охлаждающей жидкости
Для блока управления двигателем, с датчиком для указателя температуры охлаждающей жидкости. Цвет соединения: зеленый. Перед снятием при необходимости сбросить давление в системе охлаждения.
16 — уплотнительное кольцо
При повреждении заменить.
17 — зажим
Проверить надежность крепления.
18 — болты, 10 Нм
19 — корпус термостата
20 — зажим
Проверить надежность крепления.
21 — соединительные штекеры
Внимание: Штекерные разъемы разъединять и соединять только при выключенном зажигании.
22 — блок управления двигателем
При замене блок управления необходимо согласовать с противоугонной системой.
23 — держатель для блока управления двигателем
24 — винты, 5 Нм
25 — штуцер для удаления воздуха
26 — уплотнительные кольца
Всегда заменять. Перед установкой смазать свежим моторным маслом.
27 — форсунка
28 — зажимы
29 — штуцер подвода топлива
Черный с белой маркировкой.
Примечание: на рисунке V-2224 показаны детали двигателя AZQ с рабочим объемом 1,2 л, запитываемые напряжением 12 вольт.
(Текст скопирован с этого портала: VWMANUAL)

Комментарии посетителей