Оглавление: Бензиновый двигатель с рабочим…↓ Бензиновый двигатель с рабочим…↓ Дизельный двигатель SDI с рабочим…↓ Дизельный двигатель с…↓
Внимание: старый масляный фильтр или сменный фильтрующий элемент должны утилизироваться как специальные отходы.
Бензиновый двигатель с рабочим объемом 1,4 л AUA/ AUB/BBY/BBZ

- Гаечным ключом на 30 мм за шестигранник «стрелка» отпустить снизу масляный фильтр.
- После этого отвернуть фильтр рукой. Пролившееся моторное масло собрать тряпкой.
- Фланец масляного фильтра на блок-картере двигателя очистить с использованием чистящего средства. Возможно оставшуюся на фланце уплотнительную прокладку фильтра снять.
- Уплотнительное резиновое кольцо нового масляного фильтра смазать тонким слоем чистого моторного масла.
- Новый масляный фильтр затягивать только от руки. После прилегания уплотнительной прокладки фильтра к фланцу блок-картера довернуть фильтр еще на ½ оборота в направлении затяжки. Выполнять указания, приведенные на корпусе фильтра.
(Оригинал текста можно найти на: VWmanual)
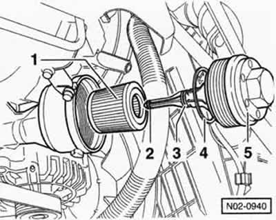
Бензиновый двигатель с рабочим объемом 1,2-/1,4 л, AWY/AZQ/AXU

- Отвернуть сверху крышку «5» с помощью сменной торцовой головки на 36 мм, например, HAZET 2169-36.
- Снять крышку вместе со сменным фильтрующим элементом «1». Пролившееся моторное масло собрать тряпкой.
- Снять с крышки старый сменный фильтрующий элемент
- Уплотнительные кольца круглого сечения -2/3/1- крышки фильтра заменить.
- Вставить новый фильтрующий элемент.
- Крышку масляного фильтра привернуть и затянуть моментом 25 Нм.
Дизельный двигатель SDI с рабочим объемом 1,9 л, ASY

- Отвернуть крышку «1», например, с помощью ленточного ключа.
- Сменный фильтрующий элемент «4» и уплотнительные кольца круглого сечения «2/3» крышки фильтра заменить.
- Крышку масляного фильтра привернуть и затянуть моментом 25 Нм.
Дизельный двигатель с насос-форсунками, с рабочим объемом 1,4-/1,9 л, AMF/BAY/ATDAXR

- Отвернуть сверху крышку «стрелка» с помощью сменной торцовой головки на 36 мм, например, HAZET 2169-36.
- Снять крышку вместе со сменным фильтрующим элементом. Пролившееся моторное масло собрать тряпкой.
- Вставить новый фильтрующий элемент.
- Крышку масляного фильтра приставить с новым уплотнительным кольцом круглого сечения и затянуть моментом 25 Нм.
- Автомобиль опустить.

Комментарии посетителей