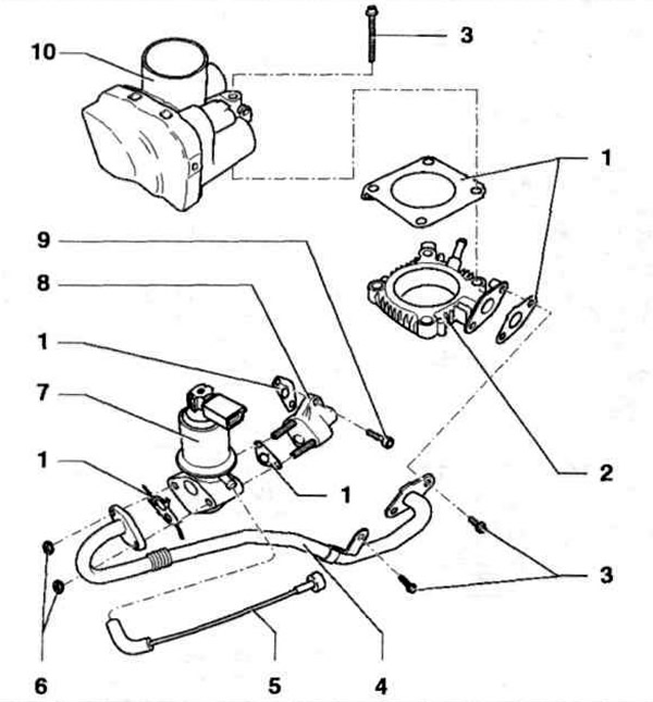
Рис. 4.23. Элементы системы рециркуляции отработавших газов:
1 - Прокладка; 2 - Впускной патрубок; 3, 9 - Болты; 4 - Соединительная трубка; 5 - Фильтр; 6 - Гайка; 7 - Клапан рециркуляции отработавших газов вместе с потенциометром для рециркуляции отработавших газов; 8 - Переходник; 10 - Блок дроссельной заслонки.

Комментарии посетителей