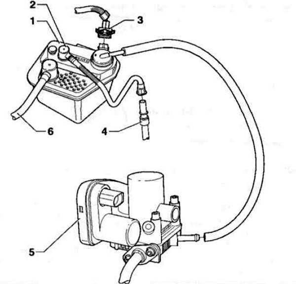
Рис. 4.21. Элементы системы улавливания паров бензина:
1 - Активированный угольный фильтр; 2 - Клапан удерживания давления с соединительной трубкой; 3 - Разъем проводки электромагнитного клапана 1; 4, 6 - Вентиляционные трубки; 5 - Блок дроссельной заслонки.

Комментарии посетителей