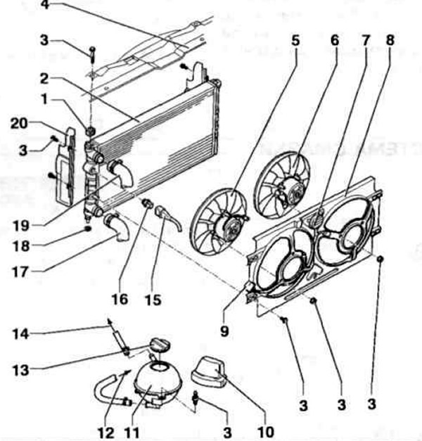
Рис. 4.15 а. Элементы системы охлаждения:
1 - Хомут; 2 - Радиатор; 3 - Болты; 4 - Крепежная поперечина; 5 - Вентилятор радиатора; 6 - Дополнительный вентилятор; 7 - Сериесный резистор; 8 - Сдвоенный кожух вентиляторов; 9 - Разъем проводки вентилятора; 10 - Крышка; 11 - Расширительный бачок; 12, 14 - К корпусу термостата; 13 - Крышка расширительного бачка; 15 - Разъем проводки термовыключателя вентилятора; 16 - Термовыключатель вентилятора; 17 - Нижний патрубок; 18 - Резиновая шайба; 19 - Верхний патрубок; 20 - Передние воздуховоды.
Рис. 4.15 б. Элементы системы охлаждения (сторона термостата):
1, 10 - Фиксаторы; 2, 16 - Болты; 3 - От нижней части радиатора; 4 - Переходник; 5 - Уплотнительное кольцо; 6 - Термостат; 7 - К расширительному бачку; 8 - К радиатору; 9 - От расширительного бачка к радиатору АКПП; 11 - От радиатора; 12 - Корпус насоса системы охлаждения; 13 - Сальник; 14 - Патрубок; 15 - Корпус термостата; 17 - Уплотнительная пробка/переходник для радиатора АКПП; 18 - Датчик температуры охлаждающей жидкости; 19 - К верхней части радиатора.
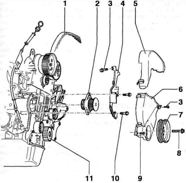
Рис. 4.15 в. Элементы системы охлаждения (сторона насоса системы охлаждения):
1 - Основной ремень ГРМ; 2 - Насос системы охлаждения; 3, 8, 9, 10 - Болты; 4 - Задний кожух ремня ГРМ; 5 - Верхняя часть кожуха ремня ГРМ; 6 - Нижняя часть кожуха ремня ГРМ; 7 - Шкив коленчатого вала; 11 - Зубчатый ремень ГРМ.

Комментарии посетителей