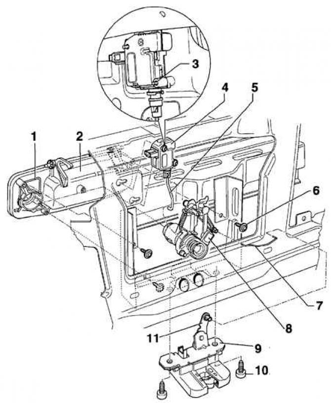
Детали замка задней двери

- 1 - предохранительная скоба;
- 2 - рукоятка;
- 3 - болт крепления исполнительного двигателя замка с центральным управлением;
- 4 - исполнительный двигатель замка с центральным управлением;
- 5 - тяга;
- 6 - винт Torx;
- 7 - тяга управления;
- 8 - корпус цилиндра замка;
- 9 - замок;
- 10 - болт со сферической потайной головкой, 20 Нм;
- 11 - рычаг
Снятие
1. Снимите нижнюю отделку задней двери.
2. Снимите с рукоятки тягу (5), предохранительную скобу (1) и корпус цилиндра замка.
3. Отсоедините электрический разъем от лампы подсветки багажного отделения.
4. При необходимости отсоедините пружинный фиксатор тяги управления замка с центральным управлением.
5. Вывинтите винты Torx и снимите рукоятку.
6. Отсоедините пружинный фиксатор тяги привода (7), отвинтите болты (10) и снимите замок с задней двери.
Установка
1. Установите замок и закрепите его болтами.
2. Поддерживая рычаг (11), установите на него тягу управления (7).
3. Дальнейшая установка производится в последовательности, обратной снятию.

Комментарии посетителей