Оглавление: Снятие ↓ Установка ↓
Снятие
Для снятия ременного шкива требуется специальный инструмент VAG. Без него снятие ременного шкива невозможно, так как болт шкива имеет очень большой момент затяжки. Опасность травмы.
Снять клиновой ремень.
Если затруднен доступ в ременному шкиву, отвернуть кожух глушителя и отжать назад.
1 - уплотнительное кольцо, заменять; 2 - правая опора двигателя; 3 - балка двигателя; 4 - болт, без прокладочной шайбы; 5 - ременной шкив; 6 - шпонка, соблюдать установочное положение.
Ввести специальное приспособление 3102 между креплением двигателя и ременным шкивом. Для этого повернуть ременной шкив так, чтобы цапфа держателя могла войти в отверстие шкива. При этом шкив блокируется.
Поставить на болт «4» головку ключа с удлинителем и затянуть болт. Снять приспособление.
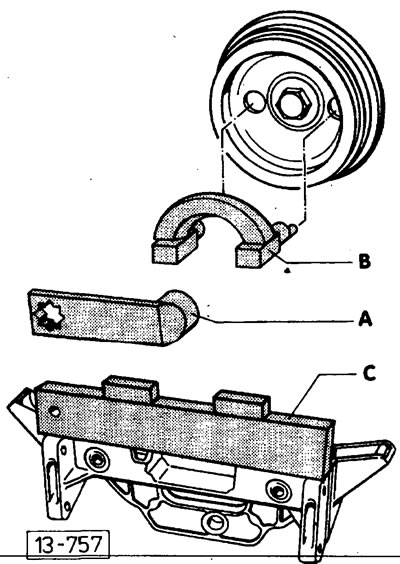
Внимание: Для автомобилей с тройным ременным шкивом (автомобили с кондиционером и гидроусилителем рулевого управления) имеется другое специальное приспособление VW для снятия ременного шкива. При этом опора «С» устанавливается на балку двигателя.
А - удлинитель ключа; В - Фиксатор; С - Опора
Снять ременной шкив. Снять шпонку и уплотнительное кольцо.
Установка
Вставить уплотнительное кольцо, предварительно смазав его моторным маслом.
Правильно вставить шпонку. Плоская сторона должна быть обращена к моторному блоку.
Надеть ременной шкив, а затем специальное приспособление.
Затянуть болт моментом 350 нм.
Остановить клиновой ремень.
Исходный текст доступен на веб-сайте VWManual.ru

Комментарии посетителей