Оглавление: 2,0-литровый двигатель ↓ Двигатель VR6 ↓
2,0-литровый двигатель
Снятие радиатора проводите в следующем порядке:
- отсоедините клемму «–» от АБ, так как при включенном зажигании провода электровентилятора находятся под напряжением;
- слейте охлаждающую жидкость из системы охлаждения (см. п. 5.1.1). Чтобы охлаждающая жидкость вытекала быстрее, снимите крышку расширительного бачка;
- отсоедините от радиатора все воздушные шланги;
- отсоедините провода от выводов температурного выключателя вентилятора и мотора вентилятора;
Рис. 187. Способ присоединения нижнего шланга радиатора: 1 - шланг охлаждающей жидкости; 2 - соединительный элемент; 3 - хомут; 4 - фланец термостата
- ослабьте зажимы верхнего и нижнего (рис. 187) шланга охлаждающей жидкости. Отсоедините шланги от радиатора и отведите их в сторону, не перегибая их при этом;
- отсоедините шланг соединяющий радиатор и расширительный бачок;
Примечание. Шланги крепятся при помощи пружинных зажимов. Для снятия зажимов следует использовать специальные кусачки под номером 798-5, а при установке можно использовать, в крайнем случае, винтовые зажимы, если нет кусачек для установки пружинных зажимов.
- снимите передний бампер, поперечную опорную балку и решетку радиатора;
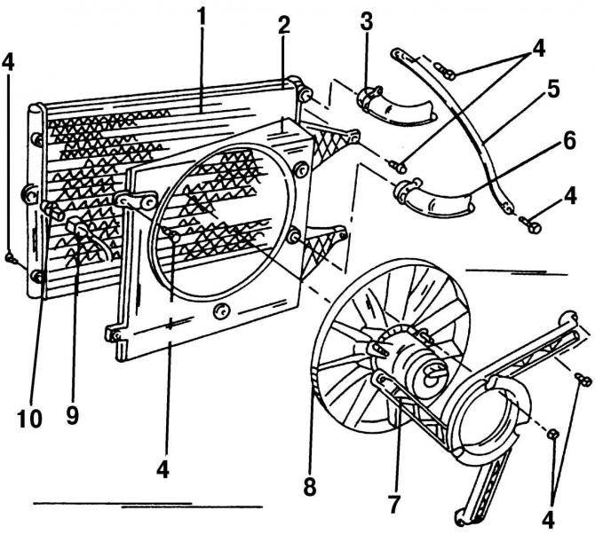
Рис. 182. Часть деталей системы охлаждения 2,0-литрового двигателя: 1 - радиатор; 2 - кожух радиатора; 3 - верхний шланг охлаждающей жидкости; 4 - болт, 10 Н·м; 5 - опорная штанга; 6 - нижний шланг охлаждающей жидкости; 7 - установочное кольцо вентилятора; 8 - вентилятор системы охлаждения; 9 - штекерная колодка температурного выключателя, черного цвета; 10 - температурный выключатель, 35 Н·м
- выверните болты 4 (рис. 182), расположенные по бокам радиатора и извлеките радиатор 1 по направлению вниз. При этом следите за тем, чтобы не повредить ячейки радиатора;
- в случае необходимости отсоедините кожух 2 от радиатора и мотор вентилятора 8 от кожуха.
Установку радиатора проводите в порядке, обратном снятию. После чего залейте охлаждающую жидкость в систему охлаждения (см. п. 5.1.1).
Двигатель VR6
Снятие радиатора с автомобиля, оснащенного двигателем VR6, проводится так же, как и с 2,0-литрового двигателя. Однако обратите внимание на следующие моменты:
- при наличии кондиционера снимите клиновой ремень его привода. Отверните насос гидроусилителя рулевого управления и оставьте шланги висеть на одной стороне;
- снимите компрессор кондиционера, но таким образом, чтобы не открылись трубопроводы;
Примечание. Дальнейшие действия одинаковы для всех модификаций двигателя.
- отсоедините провода от температурного выключателя мотора вентилятора и дополнительного воздушного насоса;
- отсоедините от насоса впускные шланги и напорные рукава;
- отверните болты зажимного кольца вентилятора и снимите кольцо с вентилятором и дополнительным воздушным насосом;
- при наличии кондиционера снимите зажимы охлаждающих шлангов. Снимите радиатор кондиционера с радиатора и выдвиньте его как можно дальше вперед;
- снимите радиатор так же, как и с 2,0-литрового двигателя. Радиатор вынимайте по направлению вниз.
Внимание! При извлечении радиатора постарайтесь не ударить его о другие детали автомобиля, чтобы избежать повреждения ячеек радиатора (это может привести к течи радиатора).
Установку радиатора проводите в последовательности, обратной снятию.
Примечание. Пружинные зажимы при установке следует заменить на винтовые, в противном случае придется использовать для их установки специальные кусачки.
Исходная информация размещена на ресурсе: VWmanual

Комментарии посетителей