Снятие насоса водяного охлаждения проводите в следующем порядке:
- слейте охлаждающую жидкость из системы охлаждения (см. п. 5.1.1);
- снимите зубчатый или клиновой ремень;
- снимите защитный кожух приводного ремня;
Рис. 188. Насос водяного охлаждения 2,0-литрового двигателя в разобранном виде: 1 - болт, 25 Н·м; 2 - шкив; 3 - болт, 10 Н·м; 4 - водяной насос; 5 - прокладка, замените; 6 - термостат; 7 - O-образное уплотнительное кольцо, всегда на замену; 8 - соединительный штуцер; 9 - хомут; 10 - крышка корпуса термостата; 11 - шкив поликлинового ремня
Исходный текст доступен на веб-сайте VWmanual.ru
- отверните болты крепления и снимите шкив 11 (рис. 188) насоса. Для того чтобы зафиксировать шкив в неподвижном положении, наденьте на него клиновой ремень и зажмите им шкив. Если установлен зубчатый ремень, то также зафиксируйте шкив в неподвижном положении;
- ослабьте зажимы шлангов в местах их присоединения к насосу и снимите шланги;
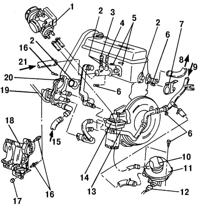
Рис. 189. Расположение некоторых деталей системы охлаждения 2,0-литрового двигателя: 1 - корпус дроссельной заслонки; 2 - O-образное уплотнительное кольцо, всегда на замену; 3 - температурный выключатель (выключение кондиционера и третьей ступени вентилятора системы охлаждения); 4 - датчик температуры охлаждающей жидкости; 5 - хомут переключателя; 6 - болт, 10 Н·м; 7 - держатель; 8 - к теплообменнику; 9 - от теплообменника; 10 - крышка расширительного бачка; 11 - расширительный бачок; 12 - штекерная колодка, черного цвета; 13 - трубопровод охлаждающей жидкости; 14 - масляный радиатор; 15 - к нижней поверхности радиатора; 16 - болт, 20 Н·м (и довернуть еще на 90°); 17 - болт, 30 Н·м; 18 - кронштейн генератора; 19 - поликлиновой ремень; 20 - водяной насос; 21 - к верхней стороне радиатора
- отверните болты крепления водяного насоса 20 (рис. 189) и снимите его с двигателя;
- снимите O-образное уплотнительное кольцо 2 водяного насоса и проверьте его состояние.
Примечание. Еще одно O-образное уплотнительное кольцо стоит между впускной трубой насоса и корпусом водяного насоса.
Установку водяного насоса проводите в последовательности обратной снятию, выполняя следующие рекомендации:
- болты крепления насоса и шкива затягивайте моментом 20 Н·м;
- натяжение клинового ремня регулируйте специальным натяжным приспособлением.

Комментарии посетителей