Ниже в тексте также приведены рисунки деталей и узлов, однако прилагаемые к ним перечни деталей и узлов содержат технологические рекомендации по ремонту.
Внимание!
- При установке новой головки блока цилиндров перед монтажом корпуса распределительных валов необходимо смазать моторным маслом все контактные поверхности между опорными элементами, роликовыми рычагами и постелью распределительных валов.
- Входящие в ремонтный комплект пластиковые подкладки для защиты открытых клапанов разрешается удалять только непосредственно перед установкой головки блока.
- При замене головки блока цилиндров также следует слить старую и залить новую охлаждающую жидкость.
- Все опорные и рабочие поверхности необходимо смазать перед монтажными работами моторным маслом.
- Разборка и сборка впускного коллектора.

Перечень деталей и узлов ГБЦ бензинового двигателя 1,4 л с буквенным обозначением ВСА к рисунку VC 2.051
| Поз. | Номер детали по каталогу | Наименование | Примечание | Шт. |
| 1 | 036 103 351 F | Головка блока цилиндров | 1 | |
| 1А | 036 131 550 Н | Прокладка | X | |
| 1В | 036 131 281 | Уплотнительная пластина | X | |
| 1С | N010 293 15 | Винт с шестигранной головкой | М8х16 | X |
| (1) | 036 103 264 ВХ | Головка блока с клапанами | Вариант поставки в запасные части | 1 |
| 2 | N013 210 2 | Штифт | 6 М6х16 | |
| 3 | N044 410 4 | Шпилька | М8х28 | 9 |
| 5 | N029 456 2 | Пробка резьбовая | М16х1,5 | 1 |
| 6 | N029 456 2 | Пробка резьбовая | М16х 1,5 | 1 |
| 7 | N011 914 8 | Крышка | А24 | 1 |
| 8 | 056 103 379 | Заглушка | 7,4 | 4 |
| (8) | 056 103 379 А | Заглушка | 8 | X |
| 10 | b036 103 383 AM | Прокладка ГБЦ (металлическая) | 1 | |
| 11 | 036 103 384 В | Винт крепления ГБЦ с внутренним многогранником | М9х 1,25x138 | 10 |
| 12 | D 188 003 AI | Герметик | 100G POS.13 | X |
| (12) | D 154 102 АI | Герметик | 50G | X |
| 13 | 036 103 473 К | Крышка ГБЦ | 1 | |
| 14 | 036 103 085 А | Сальник распределительного вала | 42x8 | 2 |
| 15 | N 10247503 | Винт крепления крышки ГБЦ с внутренним шестигранником | М6х65 | 11 |
| 16 | N 103 008 03 | Болт с внутренним шестигранником | М6х45 | 4 |
| 17 | 036 103 111 | Торцевая заглушка крышки ГБЦ (выпуск) | 1 | |
| 18 | N903 445 01 | Уплотнительное кольцо | 45x3 | Ж. |
| 19 | N100 829 07 | Винт с шестигранной головкой | M6X16.Z1 | 2 |
| 20 | 036 103 111 А | Торцевая заглушка крышки ГБЦ (впуск) | 1 | |
| 21 | Трансформатор высокого напряжения | 1 | ||
| 22 | Винт крепления трансформатора высокого напряжения | 3 | ||
| 23 | Датчик импульсов | |||
| 24 | 036 115 302$ | Маслозаливная горловина | 1 | |
| 25 | b06A 103 483 D | Прокладка маслозаливной горловины | 1 | |
| 26 | 036 103 638 А | Уплотнитель штуцера вентиляционной трубки | 1 | |
| 27 | 036 103 175 А | Клапан | 1 | |
| 28 | 036 103 560 | Вентиляционная трубка | 1 | |
| 29 | 036 103 733 В | Фиксатор вентиляционной трубки | 1 | |
| 31 | Воздушный фильтр | 1 | ||
| 32 | 036 129 689 B | Упор | 4 | |
| 33 | 036 129 846 | Распорный палец | 2 | |
| 34 | 036 103 388 Е | Петля, навесная | 1 | |
| 35 | N102 394 02 | Винт с внутренним шестигранником | М8х22 | 2 |
| 36 | 021 133 287 А | Уплотнительное кольцо пробки маслозаливной горловины | 1 | |
| 37 | 06В 103 485 С | Пробка маслозаливной горловины | 1 | |
| 38 | b06A 104 83 D | Прокладка пробки маслоззливной горловины | 1 |

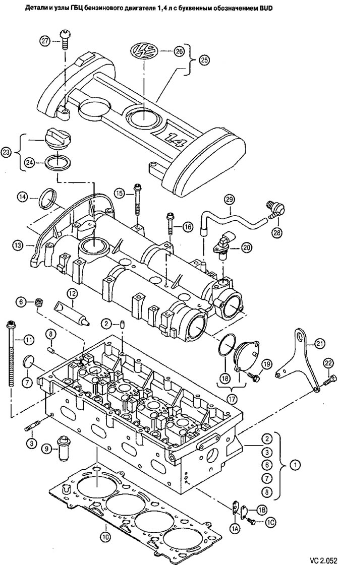
Перечень деталей и узлов ГБЦ бензинового двигателя 1,4 л с буквенным обозначением BUD к рисунку VC2.052
| Поз. | Номер детали по каталогу | Наименование | Примечание | Шт. |
| 1 | 036 103 351 G | Головка блока цилиндров | 01029315 | 1 |
| 1А | 036 131 550 Н | Прокладка | ||
| IB | 036 131 281 | Уплотнительная пластина | ||
| 1С | N010 293 15 | Болт с шестигранной головкой | М8х16 | |
| 2 | N013 210 2 | Штифт | 6М6х16 | 2 |
| 3 | N100 878 02 | Шпилька | М8Ах25 | 9 |
| б | N029 456 2 | Пробка резьбовая | М1бх 1,5 | 1 |
| 7 | N011 914 8 | Крышка | 24 | 1 |
| 8 | 056 103 379 | Заглушка | 7,4 | 4 |
| (8) | 056 103 379 А | Заглушка | 8 | |
| 10 | b036 103 383 АМ | Прокладка ГБЦ (металлическая) | 1 | |
| 11 | 036 103 384 В | Винт крепления крышки Г5Ц с внутренним шестигранником | N19x1,25x138 | 10 |
| 12 | D188 003 AI | Герметик эластичный | 100G POS:13 | |
| (12) | D154 102 AI | Герметик | 50G | |
| 13 | 036 103 473 АМ | Крышка ГБЦ | 1 | |
| 14 | Р036 103 085 А | Уплотнительное кольцо вала | 42x8 | 2 |
| 15 | N102 475 04 | Болт с внутренним шестигранником | АМ6х65 | 11 |
| 16 | N103 008 05 | Болт с внутренним шестигранником | М6х45 | 4 |
| 17 | 036 103 111 | Крышка | 2 | |
| 18 | N903 445 01 | Уплотнительное кольцо | 45x3 | 2 |
| 19 | N104 51405 | Винт с плоской головкой | М6х16-СН | 4 |
| 20 | Датчик импульсов | 1 | ||
| 21 | 036 103 388 Е | Петля строповочная | 1 | |
| 22 | N102 394 02 | Болт с внутренним шестигранником | М8х22 | 2 |
| 23 | 06В 103 485 С | Крышка | 1 | |
| 24 | b06А 103 483 D | Прокладка | 1 | |
| 25 | 036 103 925 СС | Кожух | VW1.4 | 1 |
| 26 | 06F 103 940 | Эмблема VW | 1 | |
| 27 | N910 991 01 | Болт с внутренним многогранником | М6Х20 | 4 |
| 28 | 030 103 175 В | Клапан | 1 | |
| 29 | 03C 103 560 F | Шланг для удаления воздуха | 1 |
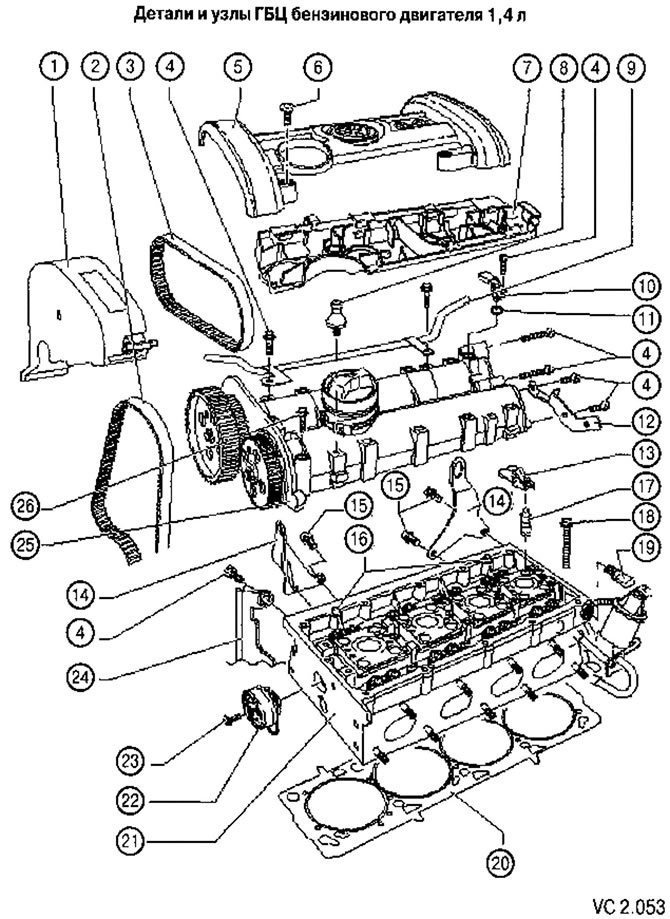
Перечень деталей и узлов ГБЦ с замечаниями по разборке и сборке к рисунку VC 2.053:
1. Верхняя часть защитного кожуха зубчатого ремня.
2. Зубчатый ремень основного привода:
- перед снятием пометить направление хода;
- проверить на износ;
- избегать надломов.
3. Зубчатый ремень сопряженного привода:
- перед снятием пометить направление хода;
- проверить на износ;
- избегать надломов.
4. Винт: 10 Нм.
5. Крышка корпуса распределительных валов:
- только при буквенном обозначении двигателя BUD.
6. Винт крепления крышки ГБЦ: 10 Нм.
7. Кожух трубопроводов и проводки:
- прикрутить к картеру распределительных валов моментом 8 Нм.
8. Распорный винт: 6 Нм.
- для кожуха воздушного фильтра;
- только при буквенном обозначении двигателя ВСА.
9. Трубка системы охлаждения.
10. Датчик положения распределительного вала (эффект Холла) (G40).
11. Уплотнительное кольцо:
- при сборке заменить новым.
12. Кронштейн.
13. Коромысло:
- проверить на заедание;
- смазать рабочую поверхность;
- при установке зафиксировать на опоре стопорной скобой.
14. Проушина для вывешивания.
15. Винт крепления строповочной проушины: 20 Нм.
16. Установочные штифты.
17. Опора роликового рычага с гидравлическим компенсатором зазора:
- опоры не менять местами;
- смазать рабочую поверхность;
- перед установкой проверить осевой разбег распределительный вала.
18. Болт головки блока цилиндров:
- при сборке заменить новым.
19. Датчик давления масла: 0,03 МПа (0,3 бар) (F1), 25 Нм.
20. Металлическая прокладка головки блока цилиндров:
- при сборке заменить новой;
- после замены сменить охлаждающую жидкость.
21. Головка блока цилиндров:
- проверить на деформацию;
- на поверхностях, прилегающих к картеру распределительных валов, не должно быть масла и смазки;
- в случае замены сменить охлаждающую жидкость.
22. Натяжной ролик сопряженного ременного привода.
23. Винт крепления натяжного ролика: 20 Нм.
24. Задняя часть крышки зубчатого ремня.
25. Корпус распределительных валов:
- удалить остатки старого герметика;
- аккуратно очистить посадочные поверхности; на них не должно быть масла и смазки;
- перед установкой нанести герметик;
- при монтаже устанавливать сверху вертикально на шпильки и установочные штифты
26. Винты крепления корпуса распределительных валов: 10 Нм + довернуть на 1/4 об. (90°);
- при сборке заменить новыми;
- затягивать от центра к краям.

Комментарии посетителей