
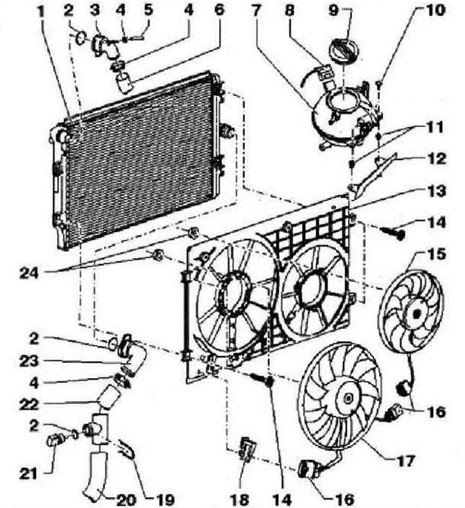
- 1 - Радиатор, след смяна сменете охлаждащата течност
- 2 - О пръстен кръгло напречно сечение, при наличие на повреди се замени
- 3 - Монтаж, за да премахнете, разкачете скобата
- 4 - Пружинна скоба
- 5 - Маркуч на охладителната система
- 6 - Маркуч на охладителната система, горен, към нипела на главата на цилиндъра
- 7 - Разширителен резервоар
- 8 - Конектор
- 9 - Капак. Проверете за течове. Предпазният клапан в капака трябва да се отвори при свръхналягане от 1,4...1,6 bar
- 10 - 5 Nm
- 11 - Пластмасови вложки за монтажни винтове
- 12 - Скоба
- 13 - Водещ екран с всмукване на въздух
- 14 - 5 Нм
- 15 - Вентилатор на радиатора 2 "V177"
- 16 - Конектор
- 17 - Вентилатор на радиатора - V7- с блок за управление на вентилатора на радиатора "J293"
- 18 - Скоба за конектор
- 19 - Монтажна скоба
- 20 - Маркуч на охладителната система, долен, към фитинга на термостата
- 21 - Сензор за температура на охлаждащата течност на изхода на радиатора "G83"
- 22 - Маркуч на охладителната система, долен, към фитинга на термостата
- 23 - Монтаж, за да премахнете, разкачете скобата
- 24 - 10 Нм
Премахване и монтиране на перка на радиатора "V7" и перка на радиатора 2 "V177"

Отстранете рамката на радиатора. Изключете електрическия конектор "1". Освободете електрическите проводници. Развийте гайките "стрелки" и извадете вентилатора на радиатора Монтажът се извършва в обратен ред.
Премахване и монтиране на радиатора
Източете охлаждащата течност. Отстранете рамката на радиатора. Отстранете маркуча на въздуховода "стрелки".

Отстранете държача "1", като развиете закрепващите болтове "стрелки".

Разблокирайте скобата и извадете "стрелката" на свързващия фитинг от радиатора. Разкачете и свързващия нипел на радиатора вдясно.

Развийте монтажния болт "стрелка".

Развийте болтовете "стрелка" и свалете радиатора надолу.

Монтаж в обратен ред.

Коментари на посетители